AC-DC и DC-DC преобразователи напряжения Top Power на складе ЭЛТЕХ

Datasheet NTE324 - NTE Electronics Даташит Биполярный транзистор, NPN, 120 В TO-39 — Даташит

NTE Electronics NTE324

Наименование модели: NTE324

15 предложений от 11 поставщиков
Двухполюсный плоскостной транзистор, TO-39 NPN 120V 1A
AllElco Electronics
Весь мир
NTE324
от 90 ₽
Элитан
Россия
NTE324
NTE Electronics
2 533 ₽
NTE324
NTE Electronics
3 570 ₽
Кремний
Россия и страны СНГ
NTE324
по запросу
АЦП азиатских производителей. Часть 3. Многоканальные АЦП с синхронной выборкой

Подробное описание

Производитель: NTE Electronics

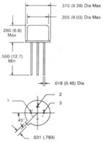
Описание: Биполярный транзистор, NPN, 120 В TO-39

data sheetСкачать Data Sheet

Краткое содержание документа:
NTE323 (PNP) & NTE324 (NPN) Silicon Complementary Transistors General Purpose
Description: The NTE323 (PNP) and NTE324 (NPN) are complementary silicon epitaxial planer transistors in a TO39 type package designed for use as drivers for high power transistors in general purpose amplifier and switching circuits.

Absolute Maximum Ratings: Collector­Base Voltage (IE = 0), VCBO . . . . . . . . . . . . . . . . . . . . . . . . . . . . . . . . . . . . . . . . . . . . . . . 120V Collector­Emitter Voltage, VCEO . . . . . . . . . . . . . . . . . . . . . . . . . . . . . . . . . . . . . . . . . . . . . . . . . . . . . 120V Emitter­Base Voltage (IC = 0), VEBO . . . . . . . . . . . . . . . . . . . . . . . . . . . . . . . . . . . . . . . . . . . . . . . . . . . 4V Collector Current, IC . . . . . . . . . . . . . . . . . . . . . . . . . . . . . . . . . . . . . . . . . . . . . . . . . . . . . . . . . . . . . . . . . 1A Base Current, IB . . . . . . . . . . . . . . . . . . . . . . . . . . . . . . . . . . .

Спецификации:

  • Полярность транзистора: NPN
  • Collector Emitter Voltage V(br)ceo: 4 В
  • Transition Frequency Typ ft: 30 МГц
  • Power Dissipation Pd: 10 Вт
  • DC Collector Current: 1 А
  • DC Current Gain Max (hfe): 40

RoHS: есть

На английском языке: Datasheet NTE324 - NTE Electronics BIPOLAR TRANSISTOR, NPN, 120 V TO-39

ТМ Электроникс. Электронные компоненты и приборы. Скидки, кэшбэк и бесплатная доставка