AC-DC и DC-DC преобразователи напряжения Top Power на складе ЭЛТЕХ
РадиоЛоцман - Все об электронике

Vishay предлагает новый 30-вольтовый полумостовой каскад на основе мощных MOSFET

Vishay SiZF300DT

Сдвоенное устройство с интегрированным диодом Шоттки увеличивает плотность мощности и КПД, занимая на плате на 65% меньше места, чем корпуса 6 мм × 5 мм

Vishay Intertechnology представила новый 30-вольтовый полумостовой силовой каскад на основе MOSFET, в компактном корпусе PowerPAIR которого, имеющем размеры 3.3 мм × 3.3 мм, объединены TrenchFET MOSFET верхнего плеча, SkyFET MOSFET нижнего плеча и диод Шоттки. Силовой каскад SiZF300DT, разработанный подразделением Vishay Siliconix, обеспечивает повышенные значения плотности мощности и КПД для преобразователей энергии в компьютерных и телекоммуникационных приложениях, одновременно уменьшая количество компонентов и упрощая конструкцию.

АЦП азиатских производителей. Часть 3. Многоканальные АЦП с синхронной выборкой

Vishay - SiZF300DT

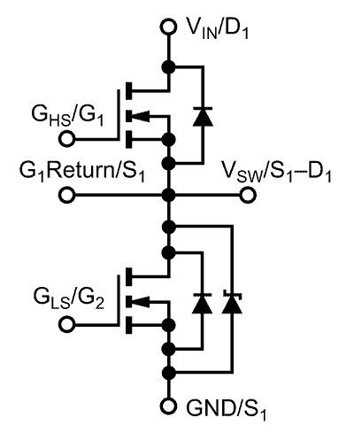
Внутренние соединения двух MOSFET этого устройства образуют конфигурацию полумоста. Максимальное сопротивление открытого MOSFET Канала 1 равно 4.5 мОм при напряжении затвора 10 В и 7.0 мОм при напряжении 4.5 В. Для MOSFET Канала 2 эти значения, соответственно, равны 1.84 мОм и 2.57 мОм. Типовые значения зарядов затворов для MOSFET составляют 6.9 нКл и 19.4 нКл, соответственно.

Внутренняя схема транзистора SiZF300DT
Внутренняя схема транзистора SiZF300DT.

Размеры SiZF300DT на 65% меньше, чем у сдвоенных устройств в корпусах 6 мм × 5 мм с аналогичными сопротивлениями каналов, что делает прибор одним из самых компактных интегрированных продуктов на рынке. Устройство предоставляет разработчикам возможность создания компактных решений для преобразователей, локализованных к нагрузке, источников питания и синхронных понижающих DC/DC-преобразователей в графических и ускорительных картах, компьютерах, серверах, телекоммуникационном и радиочастотном сетевом оборудовании.

Сдвоенный MOSFET имеет уникальную конфигурацию и конструкцию выводов, позволяющую получить на 11% больший выходной ток на фазу, чем конкурирующие продукты такого же размера, а также увеличить КПД для выходных токов свыше 20 А. Кроме того, конфигурация выводов устройства и большой контакт PGND улучшают теплопередачу, оптимизируют путь тока и упрощают разводку печатной платы.

Транзисторы SiZF300DT проходят стопроцентную проверку на значение сопротивления затвора и соответствие требованиям стандарта UIS. Приборы отвечают предписаниям директивы RoHS и не содержат галогенов.

Единичные образцы и небольшие количества новых сдвоенных MOSFET доступны немедленно. Время выполнения крупных заказов составляет 12 недель.

Перевод: AlexAAN по заказу РадиоЛоцман

На английском языке: Vishay Intertechnology 30 V MOSFET Half-Bridge Power Stage Delivers 11% Higher Output Current in PowerPAIR 3x3F

15 предложений от 8 поставщиков
Полупроводники - Дискретные
ChipWorker
Весь мир
SIZF300DT-T1-GE3
Vishay
41 ₽
SIZF300DT-T1-GE3
Yageo
от 136 ₽
Maybo
Весь мир
SIZF300DT-T1-GE3
Vishay
144 ₽
Hi-Tech Circuit Group
Весь мир
SIZF300DT-T1-GE3
Vishay
по запросу
ТМ Электроникс. Электронные компоненты и приборы. Скидки, кэшбэк и бесплатная доставка
Для комментирования материалов с сайта и получения полного доступа к нашему форуму Вам необходимо зарегистрироваться.
Имя