Журнал РАДИОЛОЦМАН, декабрь 2012
Martin Murnane, Analog Devices
Инверторы для фотогальванических систем
Бóльшая часть электроэнергии, вырабатываемой непосредственно из солнечного излучения, генерируется солнечными фотогальваническими (PV) элементами, преобразующими фотоны световой энергии в поток электронов, образующих электрический ток. На Рисунке 1 показан аэрофотоснимок большой фотоэлектрической установки.
![]() |
|
| Рисунок 1. | Солнечные фотогальванические установки, Юма Каунти, штат Аризона. |
Инверторы фотоэлектрических установок преобразуют электрическую энергию от солнечных панелей и с высокой эффективностью передают ее в электрическую сеть. Энергия, вырабатываемая солнечными панелями, представляющими собой источники постоянного тока, конвертируется в переменный ток и поступает в местные энергосети в нужной фазе, обеспечивающей КПД до 98%. Процесс преобразования может происходить в один или несколько этапов.
Этап 1. Как правило, на этом этапе выполняется DC/DC преобразование низкого напряжения и большого тока, вырабатываемого ячейками, составляющими солнечные панели, в высокое напряжение и пониженный ток, совместимые c сетью переменного напряжения. В зависимости от топологии, этот этап может быть необязательным, если достаточное количество солнечных элементов соединено последовательно и обеспечивает стабильно высокое напряжения при любых режимах нагрузки.
Этап 2. Постоянный ток преобразуется в переменный, обычно с использованием топологии H-мостов. Для повышения КПД и снижения реактивной мощности в системе конструкция инверторов фотогальванических установок может основываться на различных вариантах H-моста, например, таких, как схема со связанной нейтралью (NPC).
Первоначально инверторы для солнечных фотогальванических панелей были простыми модулями, передававшими энергию в местные сети. В последних разработках акцент делается на безопасность, интеллектуальную интеграцию и снижение цены. Для улучшения характеристик и сокращения затрат разработчики ищут новые технологии, до сих пор не использовавшиеся в инверторах энергии солнечных панелей.
Компьютеризированные системы измерения и управления – ключевой элемент новых технологий, но схемы измерений и вычислений должны быть отделены изоляционным барьером от силовых цепей управления, а также защищены от переходных процессов при коммутации. Эта статья показывает, как технология изоляции iCoupler позволяет сокращать расходы, повышать интегрированность интеллектуальных сетей и улучшать надежность инверторов солнечной энергии с помощью изолированных аналого-цифровых преобразователей (АЦП) и драйверов затворов компании Analog Devices.
Интеллектуальная сеть
Что такое интеллектуальная сеть (Smart Grid)? IMS Research определяет интеллектуальную сеть как «инфраструктуру энергических сетей общего назначения с возможностью эффективного управления генерацией и потреблением, при максимально эффективном использовании имеющихся ресурсов». Это означает, что новое поколение инверторов для солнечных панелей должно обладать развитой логикой принятия решений при взаимодействии с интеллектуальной сетью, особенно для устранения дисбаланса в случаях избытка генерируемой несколькими источниками мощности. По этой причине основой логики работы солнечной системы энергоснабжения должна быть сетевая интеграция, где все составляющие энергосистемы взаимодействуют как одно целое для стабилизации сети, а не просто поставляют мощность, независимо друг от друга. Сетевая интеграция предъявляет повышенные требования к измерению, контролю и анализу качества подаваемой в сеть энергии. Кроме того, новые директивы и повышенные технические требования стимулируют появление новых технологий.
Одной из важных особенностей интеллектуальной сетевой интеграции, поэтому, может стать аккумулирование энергии, позволяющее сгладить неравномерность нагрузки на сеть, сохраняя неиспользуемую электрическую энергию до времени пикового потребления. Далее в этой статье основное внимание будет уделено значению гальванической изоляции для защиты измерительных и управляющих цепей, соединительных линий и элементов хранения, с упором на ключевую роль технологии iCoupler. Характеристиками, которые будут отвечать требованиям конструкций новых инверторов для солнечных панелей, обладают, в частности, изолированный АЦП AD7401A и изолированный драйвер затворов ADuM4223.
Технология гальванической развязки
В технологии iCoupler [1] для передачи данных между цепями с раздельным питанием используются трансформаторы, исключающие какую-либо гальваническую связь между ними. Трансформаторы изготавливаются непосредственно на кристалле на этапе обработки кремниевых пластин. Полиимидный слой с высоким пробивным напряжением под слоем золота изолирует верхнюю катушку от нижней. Входные логические сигналы, кодированные импульсами длительностью 1 нс, поступают на первичную обмотку трансформатора. Импульсы, передаваемые с одной катушки трансформатора на другую, детектируются схемой на стороне вторичной обмотки.
Изолированный АЦП
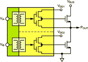
На Рисунке 2 показаны два инвертора для фотогальванических установок, подобные описанным во введении. Соединенные с подключенной к сети шиной питания, инверторы управляются и коммутируются независимо. Каждая панель солнечных элементов соединена с собственным повышающим DC/DC преобразователем, который, в свою очередь, подключен к DC/AC преобразователю. (При использовании аккумуляторной батареи она будет подключаться и отключаться под внешним управлением. Какое-либо обсуждение этого вопроса для простоты объяснения опущено).
![]() |
|
| Рисунок 2. | Пример солнечной фотогальванической системы. |
Управляет инвертором цифровой сигнальный процессор (DSP). Изолированный АЦП AD7401A измеряет переменный выходной ток порядка 25 А. Системы инверторов солнечных панелей могут иметь на выходе изолирующий трансформатор, а могут строиться и без него. Если в целях экономии трансформатор не используется, инверторы должны также измерять и постоянную составляющую выходного тока. Наличие и величина этой «DC подпитки» являются серьезной проблемой, так как слишком большой постоянный ток, попадающий в сеть, может насытить любой трансформатор на своем пути. Этот ток должен быть ограничен диапазоном в несколько миллиампер, поэтому AD7401A должен измерять как переменный ток в диапазоне до 25 А, так и постоянный миллиамперного диапазона.
![]() |
|
| Рисунок 3. | Изолированный АЦП AD7401A. |
AD7401A iCoupler – изолированный Σ-∆-модулятор (АЦП), непрерывно производящий выборки напряжения, падающего на токовом шунте, как показано на Рисунке 3. На его выходе формируется 1-битный поток данных, который изолирован и подается непосредственно в DSP. Плотность единиц в выходном потоке соответствует входной амплитуде, которая может быть восстановлена с помощью цифрового фильтра, программно реализованного в DSP.
Гальваническая развязка в инверторах солнечных панелей необходима, в первую очередь, из-за высокого напряжения в сети переменного тока, которое даже в однофазных системах может достигать в пике 380 В. Изоляция AD7401A позволяет использовать микросхему в сетях с напряжением до 561 В, что делает ее абсолютно пригодной для рассматриваемых приложений. Основное преимущество использования AD7401A заключается в том, что маленький корпус АЦП позволяет расположить его очень близко к шунту реального переменного тока, в то время как DSP может быть на некотором удалении, или даже на другой плате в системе. Это повышает точность и надежность данных в системе измерения и контроля. Выходные данные АЦП направляются в DSP последовательно в виде одноразрядного потока с тактовой частотой 16 МГц, формируемой DSP.
Эта система может измерять переменный ток до 25 А и постоянный ток в диапазоне нескольких миллиампер. На Рисунке 4 показаны смещение и ошибка линейности модуля солнечной системы AD7401A. Как видно, ток смещения в шунте составляет ±20 мА во всем температурном диапазоне. Таким образом, один этот модуль может измерять как «DC подпитку» от 20 мА, так и системные токи до 25 А или больше. Для измерительных систем с трансформаторами тока и других типов могут потребоваться два устройства, – одно для большого переменного тока (диапазон 25 А) и одно для малого постоянного тока (диапазон 300 мА). Это один из примеров того, как технология iCoupler может предоставить недорогие решения для интеллектуальной сети.
![]() |
![]() |
||
| (а) | (б) | ||
|
Рисунок 4. Смещение и линейность солнечного модуля AD7401A: а) Температурное смещение; |
|||
Чтобы свести к минимуму потери мощности в шунте (и тепловые ошибки из-за саморазогрева), его сопротивление выбирают минимально возможным, обычно порядка 1 мОм. Очень высокое разрешение Σ-∆ преобразователей позволяет потери токового шунта свести к уровню решений на основе традиционных магнитных преобразователей, при лучшей точности и меньшем смещении, что подтверждается Рисунком 4.
Несмотря на то, что приведенная погрешность (погрешность полной шкалы) исключительно мала, настоящей проверкой линейности устройства является его абсолютная погрешность, особенно на нижних границах диапазона измерений. Абсолютная погрешность связана с ошибкой измерений во всем диапазоне значений, а не просто с ошибкой полной шкалы. Некоторые трансформаторы тока специфицируются, В спецификациях на некоторые трансформаторы тока указывается ошибка полной шкалы 0.1%. Хотя это выглядит и хорошо, но мало о чем говорит.
Из данных, приведенных на Рисунке 4, видно, что абсолютная погрешность измерения тока при использовании AD7401A весьма невелика во всем диапазоне, что указывает на хорошую линейность и низкий уровень гармонических искажений выходного сигнала солнечного инвертора. Это, в свою очередь, способствует снижению нелинейных искажений при интеграции с сетью, показывая еще один пример того, как новая технология изоляции повышает показатели качества.
Изолированный драйвер затворов
Чем выше эффективность солнечного инвертора, тем больше энергии вырабатывается за год, и меньше срок окупаемости инвестиций в солнечную станцию. Тенденцией последнего времени стало использование бестрансформаторных электрических систем подачи энергии в сети общего пользования, обусловленное их низкой стоимостью. Это требует соответствующего усиления внимания к внутренней изоляции измерительной и управляющей электроники, то есть, изоляции между силовой частью MOSFET инвертора и/или драйверами затворов и цепями низкого напряжения.
На Рисунке 5 показана одна из возможных конфигураций H-моста для DC/AC преобразователя типичного инвертора солнечных элементов. Для новых на сегодняшнем рынке SiC полевых транзисторов напряжение на линии постоянного тока в схеме может варьироваться от 300 В до 1000 В. В выходной сигнал Н-моста фильтруется с помощью индуктивностей и конденсаторов. Выходные реле подключают отфильтрованный выход к сети под внешним управлением. Драйвер затворов должен управлять затворами и истоками MOSFET, находящихся под высоким напряжением – еще один повод для изоляции в инверторах солнечных элементов.
![]() |
|
| Рисунок 5. | Пример H-моста для схемы фотогальванического инвертора. |
В качестве примера на Рисунке 6 показана микросхема ADuM4223 – изолированный двухканальный 4-амперный драйвер затворов с двумя независимыми каналами изоляции. Драйвер имеет максимальную задержку распространения 60 нс и стойкость к переходным процессам со скоростью нарастания напряжения более 100 кВ/мкс. Это устройство удовлетворяет требованиям различных стандартов, таких как соответствующие разделы DIN VDE0110, DIN VDE 088410 и UL1577.
![]() |
|
| Рисунок 6. | Драйвер затворов ADuM4223. |
Ниже приведены некоторые из наиболее важных параметров изоляции ADuM4223:
- Максимальное продолжительное рабочее напряжение
- AC однополярный и DC: 1131 В
- AC двуполярный: 565 В
- Импульсное напряжение изоляции 6 кВ
- Номинальное напряжение изоляции 5 кВ.
Устройство содержит два канала в одном корпусе, по одному для верхнего и нижнего плеча MOSFET. Наличие обоих каналов в одном приборе снижает стоимость конструкции и площадь печатной платы.
С обычными оптопарами потребуется либо один оптрон со сдвигом уровня напряжения на изолированном затворе верхнего транзистора, либо две оптопары [2]. Это еще один пример того, как новая технология изоляции может снизить стоимость.
Другой существенной проблемой для инверторов солнечных фотоэлектрических панелей является устойчивость к синфазным переходным процессам, необходимая для предотвращения проникновения всплесков напряжения с большой скоростью нарастания (dV/dt) через изоляционные барьеры или емкостные связи, что может приводить к одновременному включению верхнего и нижнего MOSFET и, как следствие, к их разрушению. ADuM4223 отличается высокой устойчивостью к переходным процессам – более 100 кВ/мкс, демонстрируя еще один пример того, как эта новая технология может повысить безопасность в системе.
Заключение
Гальваническая изоляция является важным требованием к системам контроля и измерений, необходимым для реализации интеллектуальных сетей, объединяющих большое количество солнечных фотоэлектрических преобразователей. Изолированные АЦП Analog Devices, способные измерять и большие токи, и «DC подпитку», позволяют объединить компактность и эффективность при интеграции систем интеллектуальных энергетических сетей. Изолированные драйверы затворов ADI с хорошей устойчивостью к синфазным переходным помехам вносят свой вклад в повышение безопасности и надежности этих новых солнечных инверторных систем.
Новая технология будет основным фактором, способствующим развитию безопасного и эффективного производства экологически чистой энергии с использованием интеллектуальных сетей, с ключевым значением стабилизации сети и повышения безопасности всех сотрудников, обслуживающих энергосистемы. Рассмотренные в статье изолированные приборы– характерный пример инноваций, имеющихся в обширном ассортименте продуктов Analog Devices, предназначенных для промышленных измерений и контроля, как в текущих, так и в будущих проектах.
Ссылки













