Когда говорят о микроклимате в помещении, в первую очередь имеют в виду температуру и влажность воздуха. Однако для оценки комфортности пребывания этого недостаточно. Нужно еще иметь представление о качестве этого воздуха. Раньше для определения качества воздуха использовали датчики CO2, но они, к сожалению, не способны обнаружить наличие других примесей, в частности летучих органических соединений (ЛОВ), например, растворителей или масел и т. д. Теперь этот пробел можно заполнить с помощью датчиков iAQ-core от ams.
![]() |
|
| Рис. 1. | Вешний вид датчиков iAQ-core от ams. |
Обеспечение комфортных условий пребывания в помещении является очень важной задачей. Для достижения оптимальной температуры и влажности применяются климатические системы, которые объединяют кондиционеры, обогреватели и вентиляцию. Однако температура и влажность – не единственные показатели комфорта. Большую роль играет также и качество воздуха.
Любой человек на своем опыте испытывал дискомфорт из-за запаха краски или растворителей при нахождении в производственных помещениях или в квартире во время ремонта. Хорошо известно, что если в таких случаях не обеспечивать качественной вентиляции, то можно заработать головную боль или даже более серьезные последствия отравления летучими органическими веществами ЛОВ (volatile organic compounds, VOCs). При этом автоматизировать процесс проветривания помещений было сложно из-за отсутствия подходящих датчиков.
К сожалению, традиционные датчики CO2 не способны обнаружить ЛОВ. До недавнего времени, чтобы избавиться от запаха растворителя, сигаретного дыма или «аромата» от приготовления рыбы требовалось открывать окна или включать вытяжку самостоятельно, что было не всегда удобно. Теперь эту проблему можно решить с помощью датчиков iAQ-core от ams (Рис. 1).
![]() |
|
| Рис. 2. | Пример возможного дневного сценария изменения качества воздуха. |
iAQ-core – МЭМС-датчики, способные распознавать и оценивать содержание в воздухе не только CO2, но и ЛОВ. Диапазон измерения CO2 составляет 450…2000 ppm (миллионные доли), для ЛОВ 125…600 ppb (миллиардные доли). Такой чувствительности будет достаточно для автоматизации системы вентиляции, которая будет реагировать даже на небольшие изменения в составе воздуха и автоматически обновлять «атмосферу» в помещении (Рис. 2).
Сейчас компания ams предлагает два типа датчиков, отличающихся частотой измерений и потребляемой мощностью:
iAQ-core С – работает в непрерывном режиме с периодом измерений 1 с. Потребление при этом оказывается на уровне 66 мВт.
iAQ-core P – импульсная версия датчика, которая работает с периодом измерение 11 с и минимальным потреблением 9 мВт.
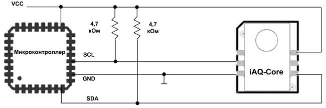
Оба датчика требуют единственного источника питания 3.3 В и используют для подключения всего четыре проводника: питание (VCC), общий (GND), линии I2C (SCL и SDA) (Рис. 3). При этом типовая схема оказывается максимально простой и включает всего нескольких внешних пассивных компонентов.
![]() |
|
| Рис. 3. | Схема включения датчика iAQ-core от ams. |
Для обмена данными между датчиком iAQ-core и управляющим микроконтроллером используется интерфейс I2C, работающий с частотой до 100 кГц. Информация хранится в четырех внутренних регистрах: 16-битный для хранения показаний CO2, 16-битный для хранения показаний по ЛОВ, 8-битный регистр статуса и 32-битный регистр внутреннего сопротивления датчика.
Еще одной особенностью датчиков iAQ-core является использование функции автоматической коррекции смещения (Automatic baseline correction). Эта функция позволяет разработчикам обходиться без дополнительной калибровки и сразу начинать работу с датчиками, или производить их замену.
Датчики iAQ-core выпускаются в компактном 6-выводном корпусном исполнении 17.8 × 15.2 × 4.3 мм и могут применяться в температурном диапазоне 0…+50 °C.
Проектирование устройств с датчиками iAQ-core не представляет никакой сложности, однако к услугам пользователей предлагается несколько отладочных инструментов, как от самой компании ams, так и от сторонних производителей. Например, плата Air quality 2 click от MikroElektronika представляет собой готовый модуль с датчиком iAQ-core, микросхемой питания, пассивными компонентами и штыревыми разъемами (Рис. 4). Данная плата работает с входным напряжением 3…5 В.
![]() |
|
| Рис. 4. | Внешний вид модуля Air quality 2 click (артикул PID: MIKROE-2529) от MikroElektronika. |
Компания ams выпускает демонстрационный набор iAM USB indoor air monitor. Он выглядит как обыкновенная флеш-память с USB (Рис. 5). Этот набор позволяет оценивать качество воздуха в помещении и выводить информацию на монитор ПК с помощью утилиты от ams. Кроме того, на корпусе устройства присутствуют сигнальные светодиоды.
![]() |
|
| Рис. 5. | Демонстрационный набор iAM USB indoor air monitor от ams. |
Из всего вышесказанного можно сделать вывод о том, что благодаря способности одновременного обнаружения CO2 и ЛОВ, а также относительно невысокому потреблению, датчики iAQ-core от ams найдут свое применение не только в стационарных промышленных установках и системах климат-контроля, но также и в портативных устройствах, и в составе датчиков Интернета вещей IoT.
Характеристики датчиков качества воздуха iAQ-core С:
- тип датчика: МЭМС;
- диапазон измеряемых величин CO2: 450…2000 ppm;
- диапазон измеряемых величин TVOC: 125…600 ppb;
- коммуникационный интерфейс: 100 кГц I2C;
- период опроса: 1 с;
- потребляемая мощность: 66 мВт;
- напряжение питания: 3.3 В;
- диапазон рабочих температур: 0…+50°C;
- корпус: 6-выводной 17.8 × 15.2 × 4.3 мм.
Характеристики датчиков качества воздуха iAQ-core P:
- тип датчика: МЭМС;
- диапазон измеряемых величин CO2: 450…2000 ppm;
- диапазон измеряемых величин TVOC: 125…600 ppb;
- коммуникационный интерфейс: 100 кГц I2C;
- период опроса: 11 с;
- потребляемая мощность: 9 мВт;
- напряжение питания: 3.3 В;
- диапазон рабочих температур: 0…+50°C;
- корпус: 6-выводной 17.8 × 15.2 × 4.3 мм.
Посмотреть более подробно технические характеристики датчиков iAQ-core от ams








Купить iAQ-core на РадиоЛоцман.Цены


