Клеммники KEEN SIDE
РадиоЛоцман - Все об электронике

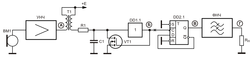
Структурная схема формирователя частотный модуляции импульсных сигналов иглообразной формы и их демодуляции с использованием D-триггера и фильтра нижних частот

АвторыМихаил Шустов
Основной документСтатья «Генераторы игольчатых импульсов и их применение»
ОписаниеРисунок 3
Формат / Размер файлаPDF / 25 Кб
Язык документарусский

Структурная схема формирователя частотный модуляции импульсных сигналов иглообразной формы и их демодуляции с использованием D-триггера и фильтра нижних частот

АЦП азиатских производителей. Часть 3. Многоканальные АЦП с синхронной выборкой

Другие материалы из основного документа

ТМ Электроникс. Электронные компоненты и приборы. Скидки, кэшбэк и бесплатная доставка