AC-DC и DC-DC преобразователи напряжения Top Power на складе ЭЛТЕХ
РадиоЛоцман - Все об электронике

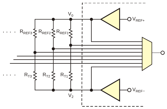
Используя мультиплексирование в один буфер и один аналого-цифровой преобразователь, идею можно расширить на несколько датчиков и путей прохождения сигналов

Основной документСтатья «Точное измерение сопротивления с помощью неидеальных компонентов»
ОписаниеРисунок 3
Формат / Размер файлаPDF / 16 Кб
Язык документарусский

Используя мультиплексирование в один буфер и один аналого-цифровой преобразователь, идею можно расширить на несколько датчиков и путей прохождения сигналов

Популярные АЦП с низкой разрешающей способностью

Другие материалы из основного документа

ТМ Электроникс. Электронные компоненты и приборы. Скидки, кэшбэк и бесплатная доставка