Новости
Статьи
Библио
Схемы
Datasheets
Сайты
Приборы
Цены
Форум
Еще
Новости
Статьи
Библио
Datasheets
Сайты
Приборы
Подписка на обновления
Журнал «РадиоЛоцман»
Авторы
Datasheet.ru
Объявления
О РадиоЛоцмане
Авторам
Вакансии
Сотрудничество
Реклама
Контакты
en - English
Поиск
Подразделы
Проф. элек-ка
Arduino
Авто
Автозвук
Автоматика
Аналог. схемы
Аудио
Безопасность
Беспроводные
Бытовая
Ветроэнер-ка
Видео
Видеокамеры
Вред.рецепты
Высоковольт.
Генераторы
ИИ
Игры
Измерения
Инстр. и тех.
Интерфейсы
История электроники
Квантовые компьютеры
Компьютеры и
Лазер
Медицина
Мониторы
Музыка
Начинающим
Обработка сигналов, фильтры
Перс.технолог
Печат.платы
Питание
Платформы
Применение МК
Р/у модели
Радио
Радиолокация
Ретро
Робототехника
САПР и ПО
Светотехника
Сети
Силовая эл-ка
Солнечная эн.
Сотовая связь
Спутник.обор.
ТВ
Телефон
Теория
Ук.применению
Усилители
Фотоника
Цифровые
Эл. компон-ты
АЦП, ЦАП
Беспроводные
Датчики
Дискретные
Драйверы
Интерфейсы
Конденсаторы
Логика
МК
МЭМС
Оптоэлектроника
Память
Пассивные комп-ты
Питание
Преоб. данных
Прогр. логика
Процессоры
РЧ компоненты
Резисторы
Реле
Соед., разъемы
Сотовая связь
Технологии
Усилители
Потреб. тех-ка
Аудиотехника
Видеотехника
Климат. тех-ка
Компьютеры ..
Кухонная тех-ка
Оргтехника
Связь
Техн. будущего
Товары для дома
Фототехника
Производители
Статьи
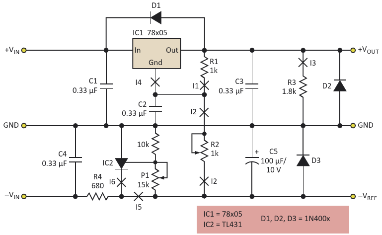
Аналогичный подход применим к …
Аналогичный подход применим к семейству 78xx, но требует некоторых изменений схемы
Авторы
Petre Petrov
Основной документ
Статья «
Понижение выходного напряжения LDO до 0 В
»
Описание
Рисунок 4
Формат / Размер файла
PDF
/
29 Кб
Язык документа
русский
Скачать PDF
Другие материалы из основного документа
Статья «
Понижение выходного напряжения LDO до 0 В
»
Рисунок 1. В ситуациях, когда напряжение шины питания положительно и ограничено, подход с использованием резисторов является альтернативой активным методам, показанным на Рисунке 1
Рисунок 2. В ситуациях, когда напряжение шины питания положительно и ограничено, подход с использованием резисторов является альтернативой активным методам, показанным на Рисунке 1
Рисунок 3. В схеме с регулируемым стабилизатором, таким как L200, шунтовой стабилизатор действует как активный редуктор напряжения, в то время как потенциометр позволяет точно установить желаемое значение напряжения
Рисунок 4. Аналогичный подход применим к семейству 78xx, но требует некоторых изменений схемы
Рисунок 5. Существуют различные распространенные методы создания отрицательных напряжений из переменного напряжения, включая двухполупериодный выпрямительный мост плюс дополнительный диод (а), двухполупериодный выпрямительный мост плюс DC/DC преобразователь (б), пол
Хотите получать уведомления о выходе новых материалов на сайте?
Подпишитесь на рассылку!
Срезы
Измерения
Микроконтроллеры
Силовая Электроника
Электронные компоненты
Ремонт техники
Подписка на обновления
Журнал «РадиоЛоцман»
Реклама
Размещение прайс листов
Контакты