Контрактное производство электроники. Полный цикл работ
РадиоЛоцман - Все об электронике

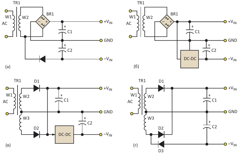
Существуют различные распространенные методы создания отрицательных напряжений из переменного напряжения, включая двухполупериодный выпрямительный мост плюс дополнительный диод (а), двухполупериодный выпрямительный мост плюс DC/DC преобразователь (б), пол

АвторыPetre Petrov
Основной документСтатья «Понижение выходного напряжения LDO до 0 В»
ОписаниеРисунок 5
Формат / Размер файлаPDF / 46 Кб
Язык документарусский

Существуют различные распространенные методы создания отрицательных напряжений из переменного напряжения, включая двухполупериодный выпрямительный мост плюс дополнительный диод (а), двухполупериодный выпрямительный мост плюс DC/DC преобразователь (б), пол

AC-DC источники питания Mean Well на DIN рейку

Другие материалы из основного документа

ТМ Электроникс. Электронные компоненты и приборы. Скидки, кэшбэк и бесплатная доставка