AC-DC и DC-DC преобразователи напряжения Top Power на складе ЭЛТЕХ
РадиоЛоцман - Все об электронике

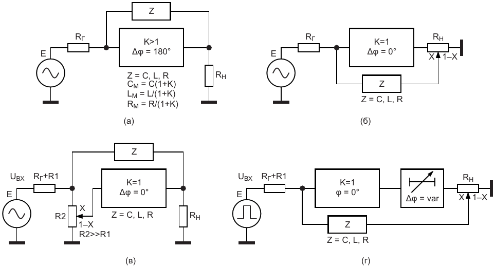
Управление параметрами RLC-элементов (Z-элементов) с использованием: (а) эффекта Миллера; (б) повторителя напряжения, в цепь обратной связи которого через регулятор коэффициента передачи включен R-, L- или C-элемент; (в) повторителя напряжения с регулятор

АвторыМихаил Шустов - Томск
Основной документСтатья «Электронные регуляторы параметров RLC-элементов»
ОписаниеРисунок 1
Формат / Размер файлаPDF / 15 Кб
Язык документарусский

Управление параметрами RLC-элементов (Z-элементов) с использованием: (а) эффекта Миллера; (б) повторителя напряжения, в цепь обратной связи которого через регулятор коэффициента передачи включен R-, L- или C-элемент; (в) повторителя напряжения с регулятор

АЦП азиатских производителей. Часть 3. Многоканальные АЦП с синхронной выборкой

Другие материалы из основного документа

ТМ Электроникс. Электронные компоненты и приборы. Скидки, кэшбэк и бесплатная доставка