Новости
Статьи
Библио
Схемы
Datasheets
Сайты
Приборы
Цены
Форум
Еще
Новости
Статьи
Библио
Datasheets
Сайты
Приборы
Подписка на обновления
Журнал «РадиоЛоцман»
Авторы
Datasheet.ru
Объявления
О РадиоЛоцмане
Авторам
Вакансии
Сотрудничество
Реклама
Контакты
en - English
Поиск
Подразделы
Проф. элек-ка
Arduino
Авто
Автозвук
Автоматика
Аналог. схемы
Аудио
Безопасность
Беспроводные
Бытовая
Ветроэнер-ка
Видео
Видеокамеры
Вред.рецепты
Высоковольт.
Генераторы
ИИ
Игры
Измерения
Инстр. и тех.
Интерфейсы
История электроники
Квантовые компьютеры
Компьютеры и
Лазер
Медицина
Мониторы
Музыка
Начинающим
Обработка сигналов, фильтры
Перс.технолог
Печат.платы
Питание
Платформы
Применение МК
Р/у модели
Радио
Радиолокация
Ретро
Робототехника
САПР и ПО
Светотехника
Сети
Силовая эл-ка
Солнечная эн.
Сотовая связь
Спутник.обор.
ТВ
Телефон
Теория
Ук.применению
Усилители
Фотоника
Цифровые
Эл. компон-ты
АЦП, ЦАП
Беспроводные
Датчики
Дискретные
Драйверы
Интерфейсы
Конденсаторы
Логика
МК
МЭМС
Оптоэлектроника
Память
Пассивные комп-ты
Питание
Преоб. данных
Прогр. логика
Процессоры
РЧ компоненты
Резисторы
Реле
Соед., разъемы
Сотовая связь
Технологии
Усилители
Потреб. тех-ка
Аудиотехника
Видеотехника
Климат. тех-ка
Компьютеры ..
Кухонная тех-ка
Оргтехника
Связь
Техн. будущего
Товары для дома
Фототехника
Производители
Статьи
Генераторы импульсов регулируемой частоты …
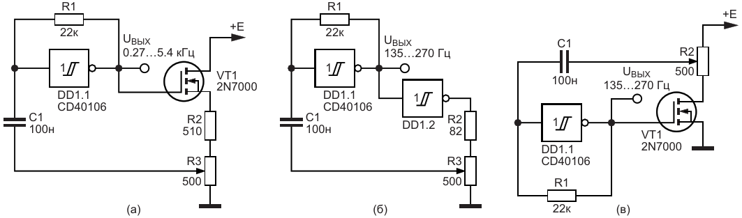
Генераторы импульсов регулируемой частоты с использованием: (а) повторителя напряжения; (б) элемента «НЕ»; в) инвертирующего каскада
Авторы
Михаил Шустов - Томск
Основной документ
Статья «
Электронные регуляторы параметров RLC-элементов
»
Описание
Рисунок 7
Формат / Размер файла
PDF
/
14 Кб
Язык документа
русский
Скачать PDF
Другие материалы из основного документа
Статья «
Электронные регуляторы параметров RLC-элементов
»
Рисунок 1. Управление параметрами RLC-элементов (Z-элементов) с использованием: (а) эффекта Миллера; (б) повторителя напряжения, в цепь обратной связи которого через регулятор коэффициента передачи включен R-, L- или C-элемент; (в) повторителя напряжения с регулятор
Рисунок 2. Управление параметрами RLC-элементов с использованием: (а) высокочастотной или (б) широтно-импульсной коммутации Z-элемента
Рисунок 3. Варианты повторителей напряжения для управления параметрами RLC-элементов
Рисунок 4. Фильтр верхних частот с использованием аналога конденсатора переменной емкости Дж. Гаона
Рисунок 5. Фильтр верхних частот с использованием аналога конденсатора переменной емкости на основе повторителя напряжения и его амплитудно-частотные характеристики
Рисунок 6. Лабораторные генераторы импульсов для регулировки эквивалентной емкости частотозадающего конденсатора с использованием: (а) повторителя напряжения и (б) элемента «НЕ»
Рисунок 7. Генераторы импульсов регулируемой частоты с использованием: (а) повторителя напряжения; (б) элемента «НЕ»; в) инвертирующего каскада
Рисунок 8. Генератор импульсов, частоту которого регулируют внешним ШИМ-сигналом
Рисунок 9. Дискретно-регулируемый делитель частоты на целочисленное нечетное число
Рисунок 10. Пример использования в генераторе импульсов электронного аналога конденсатора регулируемой емкости с незаземленными обкладками
Хотите получать уведомления о выходе новых материалов на сайте?
Подпишитесь на рассылку!
Срезы
Измерения
Микроконтроллеры
Силовая Электроника
Электронные компоненты
Ремонт техники
Подписка на обновления
Журнал «РадиоЛоцман»
Реклама
Размещение прайс листов
Контакты