Контрактное производство и проектные поставки для российских производителей электроники
РадиоЛоцман - Все об электронике

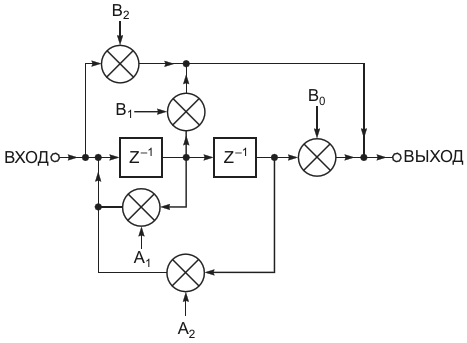
Передаточная функция рекурсивного цифрового фильтра второго порядка содержит значения коэффициентов, которых соответствуют характеристикам фильтров нижних частот, верхних частот, режекторных или полосовых

АвторыDavid Báez-López
Основной документСтатья «Линии передачи моделируют цифровые фильтры в PSpice»
ОписаниеРисунок 1
Формат / Размер файлаPDF / 9 Кб
Язык документарусский

Передаточная функция рекурсивного цифрового фильтра второго порядка содержит значения коэффициентов, которых соответствуют характеристикам фильтров нижних частот, верхних частот, режекторных или полосовых

AC-DC источники питания Mean Well на DIN рейку

Другие материалы из основного документа

ТМ Электроникс. Электронные компоненты и приборы. Скидки, кэшбэк и бесплатная доставка