DC-DC преобразователи KEEN SIDE
РадиоЛоцман - Все об электронике

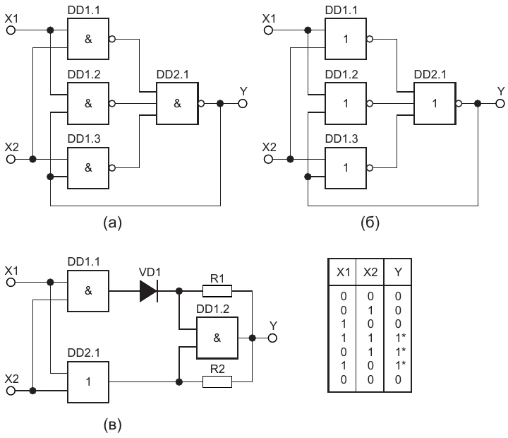
Двухвходовые логические элементы с памятью состояния и их таблица истинности: а) и б) классические C-элементы с использованием четырех логических элементов NAND и NOR соответственно; в) авторский вариант C-элемента

АвторыМихаил Шустов - Томск
Основной документСтатья «Базовые элементы логики с памятью состояния»
ОписаниеРисунок 1
Формат / Размер файлаPDF / 12 Кб
Язык документарусский

Двухвходовые логические элементы с памятью состояния и их таблица истинности: а) и б) классические C-элементы с использованием четырех логических элементов NAND и NOR соответственно; в) авторский вариант C-элемента

Эффективные решения на базе SiC: новые возможности для российской электроники

Другие материалы из основного документа

ТМ Электроникс. Электронные компоненты и приборы. Скидки, кэшбэк и бесплатная доставка