Поставки продукции Megawin по официальным каналам - микроконтроллеры, мосты USB-UART
РадиоЛоцман - Все об электронике

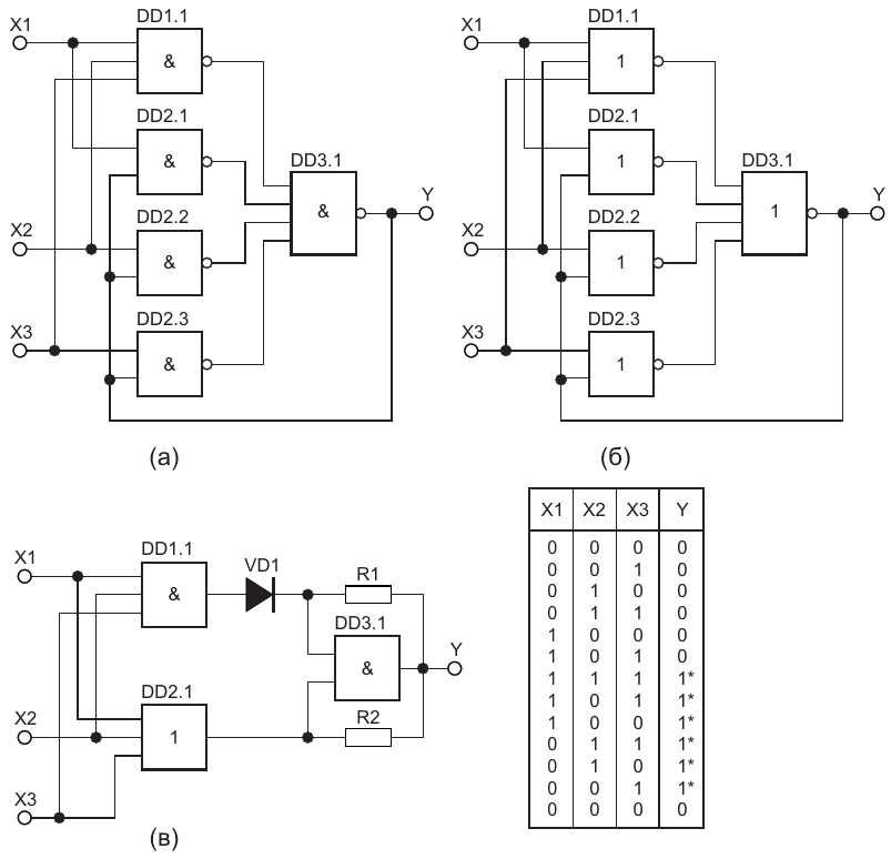
Трехвходовые логические элементы с памятью состояния на основе элементов: а) и б) NAND и NOR, соответственно; в) AND и OR, а также их таблица истинности

АвторыМихаил Шустов - Томск
Основной документСтатья «Базовые элементы логики с памятью состояния»
ОписаниеРисунок 2
Формат / Размер файлаPDF / 13 Кб
Язык документарусский

Трехвходовые логические элементы с памятью состояния на основе элементов: а) и б) NAND и NOR, соответственно; в) AND и OR, а также их таблица истинности

Эффективные решения на базе SiC: новые возможности для российской электроники

Другие материалы из основного документа

ТМ Электроникс. Электронные компоненты и приборы. Скидки, кэшбэк и бесплатная доставка