AC-DC и DC-DC преобразователи напряжения Top Power на складе ЭЛТЕХ

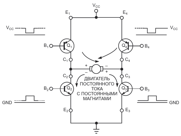
В выходном каскаде драйвера H-моста двигателем постоянного током управляют диагонально-противоположные пары транзисторов. Схеме требуются четыре управляющих сигнала

АвторыLuca Bruno
Основной документСтатья «Нетрадиционная схема управления двигателем постоянного тока с постоянными магнитами»
ОписаниеРисунок 1
Формат / Размер файлаPDF / 29 Кб
Язык документарусский

В выходном каскаде драйвера H-моста двигателем постоянного током управляют диагонально-противоположные пары транзисторов. Схеме требуются четыре управляющих сигнала

Многослойные керамические конденсаторы от лидеров азиатского рынка

Другие материалы из основного документа

ТМ Электроникс. Электронные компоненты и приборы. Скидки, кэшбэк и бесплатная доставка