Новости
Статьи
Библио
Схемы
Datasheets
Сайты
Приборы
Цены
Форум
Еще
Новости
Статьи
Библио
Datasheets
Сайты
Приборы
Подписка на обновления
Журнал «РадиоЛоцман»
Авторы
Datasheet.ru
Объявления
О РадиоЛоцмане
Авторам
Вакансии
Сотрудничество
Реклама
Контакты
en - English
Поиск
Подразделы
Arduino
Авто
Автозвук
Автоматика
Аналог. схемы
Аудио
Безопасность
Беспроводные
Бытовая
Ветроэнер-ка
Видео
Видеокамеры
Вред.рецепты
Высоковольт.
Генераторы
ИИ
Игры
Измерения
Инстр. и тех.
Интерфейсы
История электроники
Квантовые компьютеры
Компьютеры и
Лазер
Медицина
Мониторы
Музыка
Начинающим
Обработка сигналов, фильтры
Перс.технолог
Печат.платы
Питание
Платформы
Применение МК
Р/у модели
Радио
Радиолокация
Ретро
Робототехника
САПР и ПО
Светотехника
Сети
Силовая эл-ка
Солнечная эн.
Сотовая связь
Спутник.обор.
ТВ
Телефон
Теория
Ук.применению
Усилители
Фотоника
Цифровые
Производители
Схемы
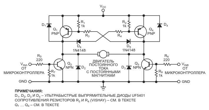
В усовершенствованной схеме драйвера …
В усовершенствованной схеме драйвера H-моста, требующей только двух управляющих сигналов, используются комплементарные пары транзисторов
Авторы
Luca Bruno
Основной документ
Статья «
Нетрадиционная схема управления двигателем постоянного тока с постоянными магнитами
»
Описание
Рисунок 2
Формат / Размер файла
PDF
/
35 Кб
Язык документа
русский
Скачать PDF
Другие материалы из основного документа
Статья «
Нетрадиционная схема управления двигателем постоянного тока с постоянными магнитами
»
Рисунок 1. В выходном каскаде драйвера H-моста двигателем постоянного током управляют диагонально-противоположные пары транзисторов. Схеме требуются четыре управляющих сигнала
Рисунок 2. В усовершенствованной схеме драйвера H-моста, требующей только двух управляющих сигналов, используются комплементарные пары транзисторов
Хотите получать уведомления о выходе новых материалов на сайте?
Подпишитесь на рассылку!
Срезы
Измерения
Микроконтроллеры
Силовая Электроника
Электронные компоненты
Ремонт техники
Подписка на обновления
Журнал «РадиоЛоцман»
Реклама
Размещение прайс листов
Контакты