Поставки продукции Megawin по официальным каналам - микроконтроллеры, мосты USB-UART

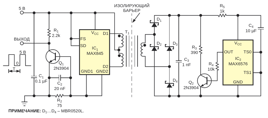
Трансформатор T1 изолирует датчик температуры IC2 от испытываемого оборудования. Период выходных импульсов микросхемы IC1 изменяется в зависимости от температуры. Коэффициент преобразования равен 10 мкс/K и может регулироваться пользователем

АвторыAlfredo Saab
Основной документСтатья «Оригинальная схема изоляции датчика температуры от микроконтроллера»
ОписаниеРисунок 1
Формат / Размер файлаPDF / 34 Кб
Язык документарусский

Трансформатор T1 изолирует датчик температуры IC2 от испытываемого оборудования Период выходных импульсов микросхемы IC1 изменяется в зависимости от температуры Коэффициент преобразования равен 10 мкс/K и может регулироваться пользователем

AC-DC источники питания Mean Well на DIN рейку

Другие материалы из основного документа

ТМ Электроникс. Электронные компоненты и приборы. Скидки, кэшбэк и бесплатная доставка