DC-DC преобразователи KEEN SIDE

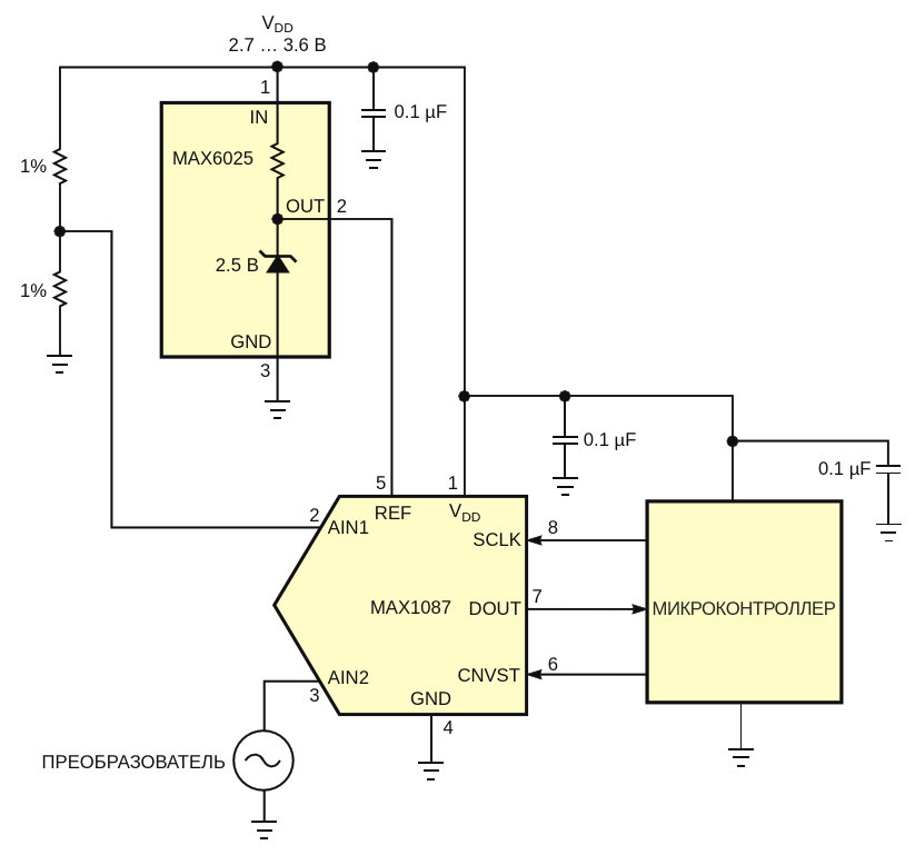
Точный резистивный делитель приводит напряжение источника питания к диапазону входных напряжений этого АЦП, но вносит ошибки измерения

АвторыBjörn Starmark, Orville Buenaventura, Sören Käck
Основной документСтатья «Нетрадиционное включение опорного источника позволяет АЦП измерять собственное напряжение питания»
ОписаниеРисунок 1
Формат / Размер файлаPDF / 19 Кб
Язык документарусский

Точный резистивный делитель приводит напряжение источника питания к диапазону входных напряжений этого АЦП, но вносит ошибки измерения

MAX13487 от JSMICRO – трансивер RS-485 с автоматическим определением направления передачи

Другие материалы из основного документа

ТМ Электроникс. Электронные компоненты и приборы. Скидки, кэшбэк и бесплатная доставка