DC-DC преобразователи KEEN SIDE

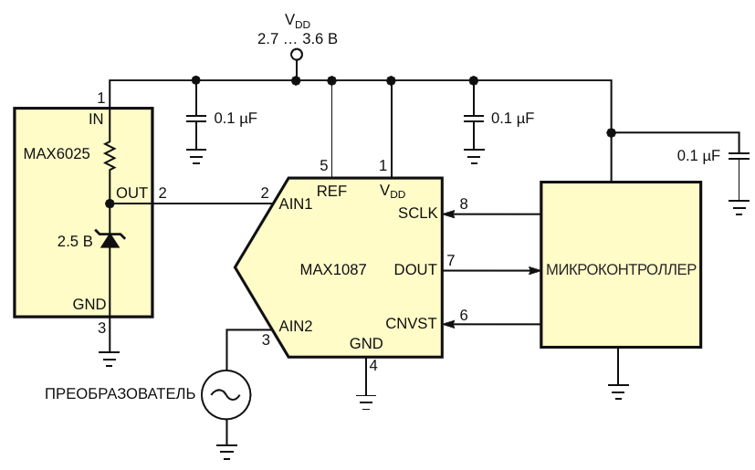
Чтобы исключить из схемы резистивный делитель, нужно подключить вход опорного напряжения АЦП к его источнику питания и измерять напряжение на выходе прецизионного опорного источника

АвторыBjörn Starmark, Orville Buenaventura, Sören Käck
Основной документСтатья «Нетрадиционное включение опорного источника позволяет АЦП измерять собственное напряжение питания»
ОписаниеРисунок 2
Формат / Размер файлаPDF / 19 Кб
Язык документарусский

Чтобы исключить из схемы резистивный делитель, нужно подключить вход опорного напряжения АЦП к его источнику питания и измерять напряжение на выходе прецизионного опорного источника

Многослойные керамические конденсаторы от лидеров азиатского рынка

Другие материалы из основного документа

ТМ Электроникс. Электронные компоненты и приборы. Скидки, кэшбэк и бесплатная доставка