Контрактное производство и проектные поставки для российских производителей электроники

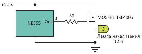
КМОП таймер TLC555 не способен обеспечивать достаточный ток для быстрой зарядки емкости затвора и при непосредственном подключении к затвору вышел из строя (емкостная нагрузка 3500 пФ). Однако биполярная микросхема NE555 с дополнительным защитным резистор

АвторыMichael Covington
Основной документСтатья «Выбор лучшего таймера 555 для управления мощным MOSFET»
ОписаниеРисунок 1
Формат / Размер файлаPDF / 16 Кб
Язык документарусский

КМОП таймер TLC555 не способен обеспечивать достаточный ток для быстрой зарядки емкости затвора и при непосредственном подключении к затвору вышел из строя (емкостная нагрузка 3500 пФ) Однако биполярная микросхема NE555 с дополнительным защитным резистор

AC-DC источники питания Mean Well на DIN рейку
ТМ Электроникс. Электронные компоненты и приборы. Скидки, кэшбэк и бесплатная доставка