Новости
Статьи
Библио
Схемы
Datasheets
Сайты
Приборы
Цены
Форум
Еще
Новости
Статьи
Библио
Datasheets
Сайты
Приборы
Подписка на обновления
Журнал «РадиоЛоцман»
Авторы
Datasheet.ru
Объявления
О РадиоЛоцмане
Авторам
Вакансии
Сотрудничество
Реклама
Контакты
en - English
Поиск
Подразделы
Arduino
Авто
Автозвук
Автоматика
Аналог. схемы
Аудио
Безопасность
Беспроводные
Бытовая
Ветроэнер-ка
Видео
Видеокамеры
Вред.рецепты
Высоковольт.
Генераторы
ИИ
Игры
Измерения
Инстр. и тех.
Интерфейсы
История электроники
Квантовые компьютеры
Компьютеры и
Лазер
Медицина
Мониторы
Музыка
Начинающим
Обработка сигналов, фильтры
Перс.технолог
Печат.платы
Питание
Платформы
Применение МК
Р/у модели
Радио
Радиолокация
Ретро
Робототехника
САПР и ПО
Светотехника
Сети
Силовая эл-ка
Солнечная эн.
Сотовая связь
Спутник.обор.
ТВ
Телефон
Теория
Ук.применению
Усилители
Фотоника
Цифровые
Производители
Схемы
Электрическая схема трехполосного формирователя …
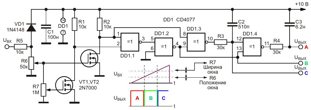
Электрическая схема трехполосного формирователя управляющих сигналов амплитудного фильтра
Авторы
Михаил Шустов - Томск
Основной документ
Статья «
Оконные амплитудные фильтры сигналов
»
Описание
Рисунок 6
Формат / Размер файла
PDF
/
36 Кб
Язык документа
русский
Скачать PDF
Другие материалы из основного документа
Статья «
Оконные амплитудные фильтры сигналов
»
Рисунок 1. Электрическая схема оконного амплитудного фильтра (оконного клапана) с использованием на выходе элемента «НЕ»
Рисунок 2. Оконный амплитудный фильтр с использованием на выходе элемента «Исключающее ИЛИ»
Рисунок 3. Диаграмма электрических процессов на входе и выходе оконного фильтра при подаче на его вход напряжения синусоидальной формы
Рисунок 4. Использование оконного фильтра для управления прохождением входного сигнала
Рисунок 5. Форма электрических сигналов на входе и выходе оконного фильтра (Рисунок 4) для выделения полосы амплитуд сигналов, проходящих через него
Рисунок 6. Электрическая схема трехполосного формирователя управляющих сигналов амплитудного фильтра
Рисунок 7. Электрическая схема трехполосного амплитудного фильтра сигналов
Рисунок 8. Динамика электрических процессов на входе и выходах трехполосного коммутатора входных сигналов по амплитуде
Хотите получать уведомления о выходе новых материалов на сайте?
Подпишитесь на рассылку!
Срезы
Измерения
Микроконтроллеры
Силовая Электроника
Электронные компоненты
Ремонт техники
Подписка на обновления
Журнал «РадиоЛоцман»
Реклама
Размещение прайс листов
Контакты