Shenler: реле, интерфейсные модули

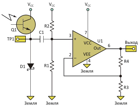
Напряжение на p-n-переходе имеет логарифмическую зависимость от проходящего через него тока, что позволяет этой схеме оптического датчика имитировать чувствительность человеческого глаза к изменениям яркости в широком диапазоне уровней внешнего освещения

АвторыSteven P. Hendrix
Основной документСтатья «Датчик света с динамическим диапазоном человеческого глаза»
ОписаниеРисунок 1
Формат / Размер файлаPDF / 26 Кб
Язык документарусский

Напряжение на p-n-переходе имеет логарифмическую зависимость от проходящего через него тока, что позволяет этой схеме оптического датчика имитировать чувствительность человеческого глаза к изменениям яркости в широком диапазоне уровней внешнего освещения

AC-DC источники питания Mean Well на DIN рейку
ТМ Электроникс. Электронные компоненты и приборы. Скидки, кэшбэк и бесплатная доставка