Новости
Статьи
Библио
Схемы
Datasheets
Сайты
Приборы
Цены
Форум
Еще
Новости
Статьи
Библио
Datasheets
Сайты
Приборы
Подписка на обновления
Журнал «РадиоЛоцман»
Авторы
Datasheet.ru
Объявления
О РадиоЛоцмане
Авторам
Вакансии
Сотрудничество
Реклама
Контакты
en - English
Поиск
Подразделы
Arduino
Авто
Автозвук
Автоматика
Аналог. схемы
Аудио
Безопасность
Беспроводные
Бытовая
Ветроэнер-ка
Видео
Видеокамеры
Вред.рецепты
Высоковольт.
Генераторы
ИИ
Игры
Измерения
Инстр. и тех.
Интерфейсы
История электроники
Квантовые компьютеры
Компьютеры и
Лазер
Медицина
Мониторы
Музыка
Начинающим
Обработка сигналов, фильтры
Перс.технолог
Печат.платы
Питание
Платформы
Применение МК
Р/у модели
Радио
Радиолокация
Ретро
Робототехника
САПР и ПО
Светотехника
Сети
Силовая эл-ка
Солнечная эн.
Сотовая связь
Спутник.обор.
ТВ
Телефон
Теория
Ук.применению
Усилители
Фотоника
Цифровые
Производители
Схемы
Генератор импульсов
Генератор импульсов
Авторы
Михаил Шустов - Томск
Основной документ
Статья «
Микросхема 222 - альтернатива 555. ШИМ-генератор с независимой регулировкой частоты. Часть 1
»
Описание
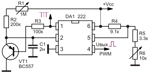
Рисунок 3
Формат / Размер файла
PDF
/
18 Кб
Язык документа
русский
Скачать PDF
Другие материалы из основного документа
Статья «
Микросхема 222 - альтернатива 555. ШИМ-генератор с независимой регулировкой частоты. Часть 1
»
Рисунок 1. Внутренняя структура микросхемы 222 и простейшая схема ШИМ-генератора с независимым регулированием частоты
Рисунок 2. ШИМ-генератор с независимым регулированием частоты
Рисунок 3. Генератор импульсов
Рисунок 4. Генератор импульсов на два выхода с раздельно регулируемыми коэффициентами заполнения импульсов
Рисунок 5. Многоканальный ШИМ-регулятор
Рисунок 6. Генератор пилообразных и прямоугольных импульсов
Рисунок 7. Генератор синусоидальных колебаний
Рисунок 8. Генератор синусоидальных колебаний с фазосдвигающей цепочкой
Рисунок 9. Функциональный генератор
Рисунок 10. Кольцевой генератор импульсов
Рисунок 11. Генератор качающейся частоты
Рисунок 12. Регулятор ширины внешнего сигнала
Рисунок 13. Преобразователь входного сигнала прямоугольной формы частотой 10 кГц с КЗИ 1 … 99% в выходной сигнал той же формы с КЗИ 0…100%
Рисунок 14. Преобразователь синусоидального сигнала в ШИМ
Рисунок 15. Преобразователь аналоговых сигналов в ШИМ-сигналы прямоугольной формы
Рисунок 16. Восстановитель цифрового сигнала
Рисунок 17. Элемент НЕ (инвертор)
Рисунок 18. Вариант элемента НЕ
Рисунок 19. Повторитель
Рисунок 20. Элемент 2И-НЕ
Рисунок 21. Импликатор
Рисунок 22. Элемент дробной логики
Рисунок 23. Преобразователь уровня
Рисунок 24. Универсальный преобразователь уровней логического сигнала вверх или вниз
Хотите получать уведомления о выходе новых материалов на сайте?
Подпишитесь на рассылку!
Срезы
Измерения
Микроконтроллеры
Силовая Электроника
Электронные компоненты
Ремонт техники
Подписка на обновления
Журнал «РадиоЛоцман»
Реклама
Размещение прайс листов
Контакты