Поставки продукции Megawin по официальным каналам - микроконтроллеры, мосты USB-UART

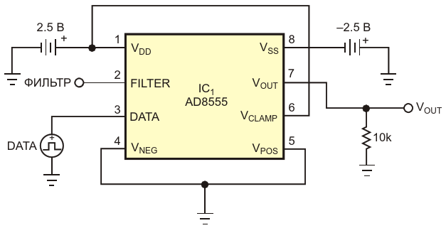
Программируемый инструментальный усилитель в миниатюрном 8-контактном корпусе LFCSP позволяет в последнюю минуту изменить величину биполярного опорного напряжения

АвторыReza Moghimi
Основной документСтатья «Программно управляемый источник опорного напряжения»
ОписаниеРисунок 1
Формат / Размер файлаPDF / 18 Кб
Язык документарусский

Программируемый инструментальный усилитель в миниатюрном 8-контактном корпусе LFCSP позволяет в последнюю минуту изменить величину биполярного опорного напряжения

AC-DC источники питания Mean Well на DIN рейку

Другие материалы из основного документа

ТМ Электроникс. Электронные компоненты и приборы. Скидки, кэшбэк и бесплатная доставка