Контрактное производство электроники. Полный цикл работ

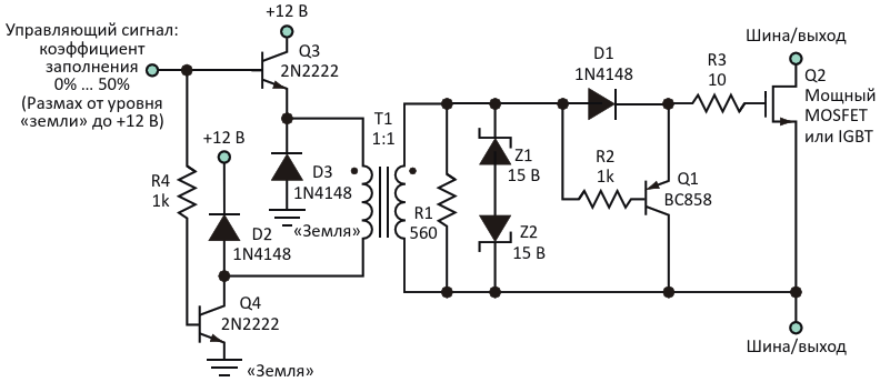
Эта схема с трансформатором управления затвором обеспечивает сигналы управления MOSFET с коэффициентом заполнения от 50% до 0%, сохраняя при этом малое время выключения

АвторыRick Mally
Основной документСтатья «Трансформатор управления затвором обеспечивает быстрое выключение MOSFET»
ОписаниеРисунок 1
Формат / Размер файлаPDF / 42 Кб
Язык документарусский

Эта схема с трансформатором управления затвором обеспечивает сигналы управления MOSFET с коэффициентом заполнения от 50% до 0%, сохраняя при этом малое время выключения

АЦП азиатских производителей. Часть 3. Многоканальные АЦП с синхронной выборкой

Другие материалы из основного документа

ТМ Электроникс. Электронные компоненты и приборы. Скидки, кэшбэк и бесплатная доставка