AC-DC и DC-DC преобразователи напряжения Top Power на складе ЭЛТЕХ

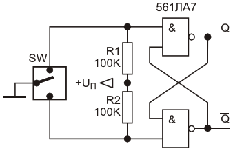
Антидребезговая схема на RS-триггере

АвторыАлексей Кузьминов - Москва
Основной документСтатья «Подавление дребезга контактов с помощью встроенных в микроконтроллер EFM8LB1 конфигурируемых логических элементов»
ОписаниеРисунок 1
Формат / Размер файлаPDF / 16 Кб
Язык документарусский

Антидребезговая схема на RS-триггере

MAX13487 от JSMICRO – трансивер RS-485 с автоматическим определением направления передачи

Другие материалы из основного документа

ТМ Электроникс. Электронные компоненты и приборы. Скидки, кэшбэк и бесплатная доставка