Новости
Статьи
Библио
Схемы
Datasheets
Сайты
Приборы
Цены
Форум
Еще
Новости
Статьи
Библио
Datasheets
Сайты
Приборы
Подписка на обновления
Журнал «РадиоЛоцман»
Авторы
Datasheet.ru
Объявления
О РадиоЛоцмане
Авторам
Вакансии
Сотрудничество
Реклама
Контакты
en - English
Поиск
Подразделы
Arduino
Авто
Автозвук
Автоматика
Аналог. схемы
Антенны
Аудио
Безопасность
Беспроводные
Бытовая
Ветроэнер-ка
Видео
Видеокамеры
Вред.рецепты
Встраиваемые системы
Высоковольт.
Генераторы
ИИ
Игры
Измерения
Инстр. и тех.
Интерфейсы
История электроники
Квантовые компьютеры
Компьютеры и
Лазер
Медицина
Мониторы
Музыка
Начинающим
Обработка сигналов, фильтры
Перс.технолог
Печат.платы
Питание
Применение МК
Р/у модели
Радио
Радиолокация
Ретро
Робототехника
САПР и ПО
Светотехника
Сети
Силовая эл-ка
Солнечная эн.
Сотовая связь
Спутник.обор.
ТВ
Телефон
Теория
Ук.применению
Усилители
Фотоника
Цифровые
Производители
Схемы
Однопороговый ARS-триггер с приоритетом …
Однопороговый ARS-триггер с приоритетом R-входа на основе логических элементов
Авторы
Михаил Шустов - Томск
Основной документ
Статья «
Одно- и двухпороговые ARS-триггеры с приоритетом R-входа
»
Описание
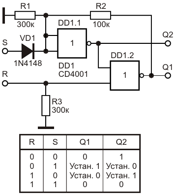
Рисунок 7
Формат / Размер файла
PDF
/
16 Кб
Язык документа
русский
Скачать PDF
Другие материалы из основного документа
Статья «
Одно- и двухпороговые ARS-триггеры с приоритетом R-входа
»
Рисунок 1. RS-триггер на транзисторах и таблица его состояний
Рисунок 2. RS-триггер на микросхемах 2ИЛИ-НЕ и его условное обозначение
Рисунок 3. Временная диаграмма работы обычного RS-триггера при подаче управляющих сигналов на его входы
Рисунок 4. RS-триггер на транзисторах с RC-элементом задержки по входу R
Рисунок 5. Временная диаграмма работы RS-триггера с RC-элементом задержки по входу R при подаче управляющих сигналов на его входы
Рисунок 6. Однопороговый ARS-триггер с приоритетом R-входа на основе двунаправленных ключей микросхемы CD4066
Рисунок 7. Однопороговый ARS-триггер с приоритетом R-входа на основе логических элементов
Рисунок 8. Двухпороговый ARS-триггер с приоритетом R-входа
Хотите получать уведомления о выходе новых материалов на сайте?
Подпишитесь на рассылку!
Срезы
Измерения
Микроконтроллеры
Силовая Электроника
Электронные компоненты
Ремонт техники
Подписка на обновления
Журнал «РадиоЛоцман»
Реклама
Размещение прайс листов
Контакты