Помощь в переводе проектов на ПЛИС азиатских брендов

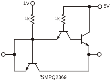
При управлении буфером 74AC541 лучший из испытанных в лаборатории трансляторов уровня 1 В в 5 В, в котором использовались три четверти транзисторной сборки MPQ2369, обеспечивает типовую симметричную задержку 6 нс

АвторыCC Poon, Edward Chui
Основной документСтатья «Низковольтный транслятор напряжения 1.8 В в 5 В»
ОписаниеРисунок 3
Формат / Размер файлаPDF / 16 Кб
Язык документарусский

При управлении буфером 74AC541 лучший из испытанных в лаборатории трансляторов уровня 1 В в 5 В, в котором использовались три четверти транзисторной сборки MPQ2369, обеспечивает типовую симметричную задержку 6 нс

АЦП азиатских производителей. Часть 3. Многоканальные АЦП с синхронной выборкой

Другие материалы из основного документа

ТМ Электроникс. Электронные компоненты и приборы. Скидки, кэшбэк и бесплатная доставка