Новости
Статьи
Библио
Схемы
Datasheets
Сайты
Приборы
Цены
Форум
Еще
Новости
Статьи
Библио
Datasheets
Сайты
Приборы
Подписка на обновления
Журнал «РадиоЛоцман»
Авторы
Datasheet.ru
Объявления
О РадиоЛоцмане
Авторам
Вакансии
Сотрудничество
Реклама
Контакты
en - English
Поиск
Подразделы
Arduino
Авто
Автозвук
Автоматика
Аналог. схемы
Аудио
Безопасность
Беспроводные
Бытовая
Ветроэнер-ка
Видео
Видеокамеры
Вред.рецепты
Высоковольт.
Генераторы
ИИ
Игры
Измерения
Инстр. и тех.
Интерфейсы
История электроники
Квантовые компьютеры
Компьютеры и
Лазер
Медицина
Мониторы
Музыка
Начинающим
Обработка сигналов, фильтры
Перс.технолог
Печат.платы
Питание
Платформы
Применение МК
Р/у модели
Радио
Радиолокация
Ретро
Робототехника
САПР и ПО
Светотехника
Сети
Силовая эл-ка
Солнечная эн.
Сотовая связь
Спутник.обор.
ТВ
Телефон
Теория
Ук.применению
Усилители
Фотоника
Цифровые
Производители
Схемы
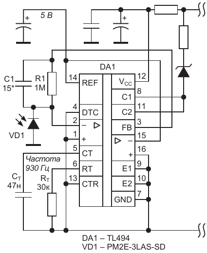
Измерение освещенности при использовании …
Измерение освещенности при использовании в качестве фотоприемника цветного светодиода. Поименованы только элементы участвующие в процессе
Авторы
Михаил Басков
Основной документ
Статья «
Удаленные датчики передают сигнал по цепи питания
»
Описание
Рисунок 8
Формат / Размер файла
PDF
/
20 Кб
Язык документа
русский
Скачать PDF
Другие материалы из основного документа
Статья «
Удаленные датчики передают сигнал по цепи питания
»
Рисунок 1. Упрощенная схема передачи сигнала от датчика по линии питания
Рисунок 2. Принципиальная схема простейшей системы получения информации от удаленных датчиков
Рисунок 4. Измерение температуры. Поименованы только элементы, участвующие в процессе
Рисунок 5. График зависимости коэффициента заполнения от температуры датчика. По оси Y коэффициент заполнения, по оси X - температура датчика
Рисунок 6. Измерение освещенности. Поименованы только элементы участвующие в процессе
Рисунок 7. Зависимость выходной частоты от освещенности. По оси Х освещенность в относительных единицах. По левой оси Y - частота, по правой оси Y - отклонение от скользящей средней в герцах
Рисунок 8. Измерение освещенности при использовании в качестве фотоприемника цветного светодиода. Поименованы только элементы участвующие в процессе
Рисунок 9. Зависимость коэффициента заполнения от освещенности при использовании в качестве фотоприемника цветного светодиода. По оси Х освещенность в относительных единицах. По левой оси Y - частота, по правой оси Y - отклонение от скользящей средней в процентах
Хотите получать уведомления о выходе новых материалов на сайте?
Подпишитесь на рассылку!
Срезы
Измерения
Микроконтроллеры
Силовая Электроника
Электронные компоненты
Ремонт техники
Подписка на обновления
Журнал «РадиоЛоцман»
Реклама
Размещение прайс листов
Контакты