Поставки продукции Megawin по официальным каналам - микроконтроллеры, мосты USB-UART

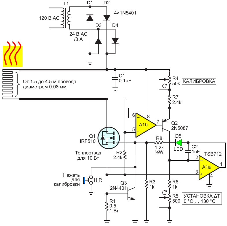
Термостат, работающий в линейном режиме, в котором используются температурный коэффициент и I2R нагрев медного провода диаметром 0.08 мм в качестве объединенного датчика/нагревателя

АвторыStephen Woodward
Основной документСтатья «Импульсный термостат с медной проволокой в качестве датчика и нагревателя»
ОписаниеРисунок 2
Формат / Размер файлаPDF / 25 Кб
Язык документарусский

Термостат, работающий в линейном режиме, в котором используются температурный коэффициент и I sup 2 /sup R нагрев медного провода диаметром 0.08 мм в качестве объединенного датчика/нагревателя

Выбираем оптимальный датчик влажности: обзор решений Winsen, HOPERF, Novosense и других компаний

Другие материалы из основного документа

ТМ Электроникс. Электронные компоненты и приборы. Скидки, кэшбэк и бесплатная доставка