Shenler: реле, интерфейсные модули

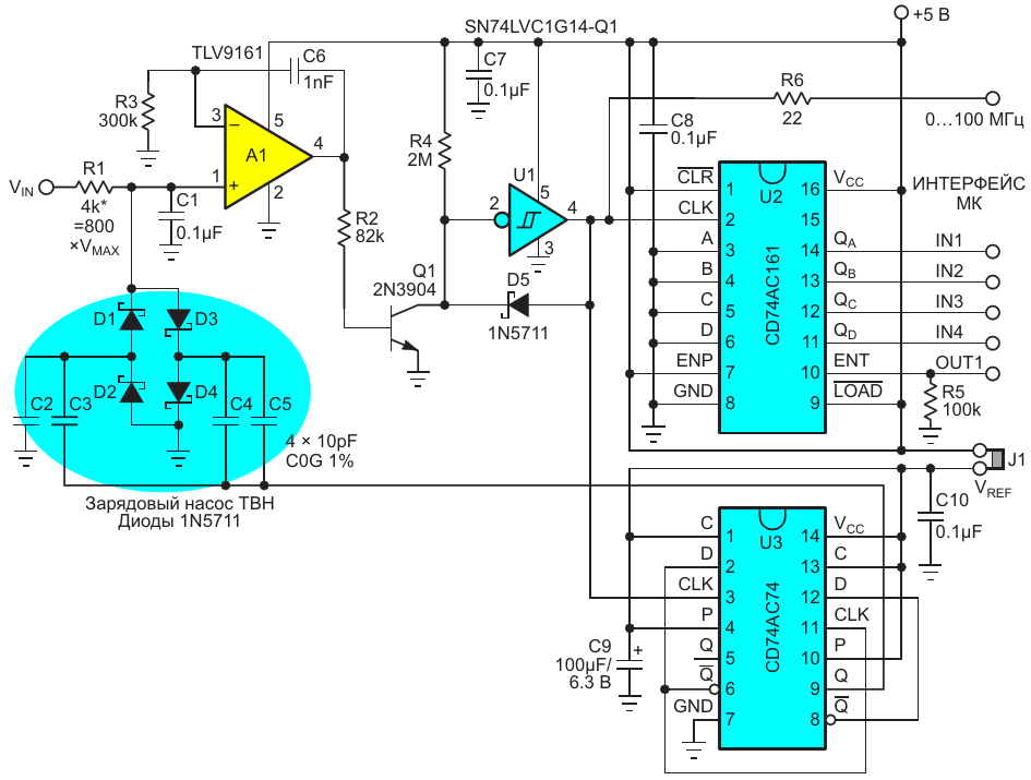
В этом простом ПНЧ некоторые заимствованные у Уильямса новаторские идеи, касающиеся быстродействия, объединены с несколькими моими собственными трюками, чтобы достичь полной шкалы частот 100 МГц

АвторыStephen Woodward
Основной документСтатья «100-мегагерцовый ПНЧ с зарядовым насосом TBH»
ОписаниеРисунок 1
Формат / Размер файлаPDF / 27 Кб
Язык документарусский

В этом простом ПНЧ некоторые заимствованные у Уильямса новаторские идеи, касающиеся быстродействия, объединены с несколькими моими собственными трюками, чтобы достичь полной шкалы частот 100 МГц

Популярные АЦП с низкой разрешающей способностью

Другие материалы из основного документа

ТМ Электроникс. Электронные компоненты и приборы. Скидки, кэшбэк и бесплатная доставка