AC-DC и DC-DC преобразователи напряжения Top Power на складе ЭЛТЕХ

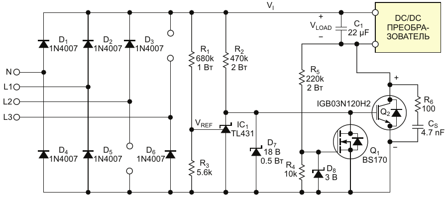
Для снижения напряжения до уровня, стандартного для автономных DC/DC преобразователей, в трехфазном выпрямителе используются коммутируемый IGBT и конденсатор

АвторыCarlos Castro-Miguens, José Benito Castro-Miguens, Marcos Pérez-Suárez, Alberto Abal Pena
Основной документСтатья «Использование трехфазного выпрямления и снижения напряжения для однофазных автономных источников питания»
ОписаниеРисунок 1
Формат / Размер файлаPDF / 21 Кб
Язык документарусский

Для снижения напряжения до уровня, стандартного для автономных DC/DC преобразователей, в трехфазном выпрямителе используются коммутируемый IGBT и конденсатор

Выбираем оптимальный датчик влажности: обзор решений Winsen, HOPERF, Novosense и других компаний

Другие материалы из основного документа

ТМ Электроникс. Электронные компоненты и приборы. Скидки, кэшбэк и бесплатная доставка