Электромагнитные зуммеры KEEN SIDE

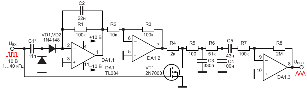
Электрическая схема преобразователя прямоугольных импульсов в треугольные с сохранением их амплитуды при изменении частоты входного сигнала от 1 до 40 кГц

АвторыМихаил Шустов - Томск
Основной документСтатья «Преобразователь прямоугольных сигналов в треугольные с постоянной амплитудой при изменении частоты»
ОписаниеРисунок 4
Формат / Размер файлаPDF / 15 Кб
Язык документарусский

Электрическая схема преобразователя прямоугольных импульсов в треугольные с сохранением их амплитуды при изменении частоты входного сигнала от 1 до 40 кГц

MAX13487 от JSMICRO – трансивер RS-485 с автоматическим определением направления передачи

Другие материалы из основного документа

ТМ Электроникс. Электронные компоненты и приборы. Скидки, кэшбэк и бесплатная доставка