Поставки продукции Megawin по официальным каналам - микроконтроллеры, мосты USB-UART

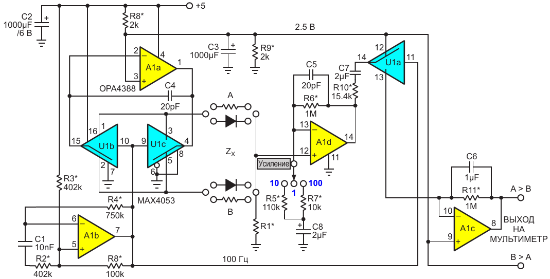
Элементы A1a, U1b и U1c формируют точные симметричные импульсы возбуждения согласуемых компонентов A и B. Резисторы, отмеченные звездочкой, - это обычные 1%-ные компоненты; их точность не критична. Напряжение на выходе A > B положительно относительно B >

АвторыStephen Woodward
Основной документСтатья «Схема подбора»
ОписаниеРисунок 1
Формат / Размер файлаPDF / 26 Кб
Язык документарусский

Элементы A1a, U1b и U1c формируют точные симметричные импульсы возбуждения согласуемых компонентов A и B Резисторы, отмеченные звездочкой, - это обычные 1%-ные компоненты; их точность не критична Напряжение на выходе A   B положительно относительно B

Выбираем оптимальный датчик влажности: обзор решений Winsen, HOPERF, Novosense и других компаний

Другие материалы из основного документа

ТМ Электроникс. Электронные компоненты и приборы. Скидки, кэшбэк и бесплатная доставка