Поставки продукции Megawin по официальным каналам - микроконтроллеры, мосты USB-UART

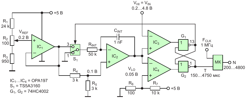
Для преобразования постоянного напряжения в последовательность импульсов, период которых пропорционален входному напряжению, в схеме используются интегратор и триггер Шмитта с переменным гистерезисом

АвторыJordan Dimitrov
Основной документСтатья «Преобразователь напряжения в период обеспечивает высокую линейность и большую скорость»
ОписаниеРисунок 1
Формат / Размер файлаPDF / 19 Кб
Язык документарусский

Для преобразования постоянного напряжения в последовательность импульсов, период которых пропорционален входному напряжению, в схеме используются интегратор и триггер Шмитта с переменным гистерезисом

Популярные АЦП с низкой разрешающей способностью

Другие материалы из основного документа

ТМ Электроникс. Электронные компоненты и приборы. Скидки, кэшбэк и бесплатная доставка