М. Левит (UA3DB)
РАДИО 6, 1978
Коэффициент стоячей волны (КСВ) — одна из основных характеристик антенно-фидерного тракта любительской радиостанции. Прибор, описание которого приведено в этой статье, позволяет измерить падающую и отраженную от нагрузки мощность (и, следовательно, определять КСВ) в коаксиальном тракте с волновым сопротивлением 75 или 50 Ом на частотах до 30 МГц.
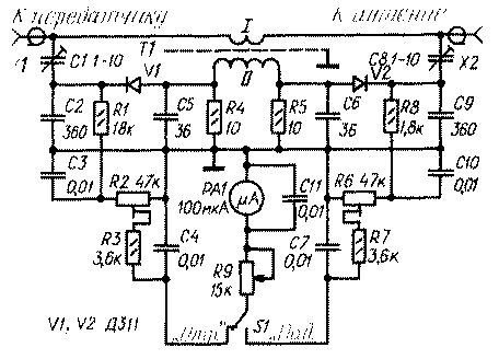
Принципиальная схема прибора приведена на рис. 1. Он состоит из двух высокочастотных вольтметров на диодах V1 и V2, с помощью которых измеряется отраженная и падающая мощность. На катоды диодов высокочастотное напряжение поступает с емкостных делителей CIC2 и С8С9. Оно пропорционально напряжению в передающей линии. Электрическая длина измерительной линии (от разъема XI до разъема Х2) выбирается существенно меньше длины волны, поэтому напряжение высокой частоты, поступающее на диод V1, совпадает по фазе с ВЧ напряжением на диоде V2. На аноды диодов через трансформатор 77 поступает ВЧ напряжение, пропорциональное току в передающей линии. На диод VI оно подается с резистора R4, а на диод V2 — с резистора R5.

Рис. 1
Напряжения, поступающие на диоды с этих резисторов, противофазны. В случае согласованной нагрузки напряжение и ток в передающей линии совпадают по фазе. При этом ВЧ напряжения, поступающие на катод и анод одного диода (какого именно— V1 или V2 — зависит от того, как включены начало и конец вторичной обмотки трансформатора 77), будут синфазны, а на катод и анод второго диода — противофазны. Пусть для определенности синфазные напряжения поступают на диод V1. (Эпюры ВЧ напряжений в различных точках устройства для этого случая приведены на рис. 2, а. Здесь Uu — напряжение на катодах диодов VI и V2, Ui1, — напряжение на аноде диода VI, Ui2 — напряжение на аноде диода V2, Uv1 — результирующее ВЧ напряжение между катодом и анодом диода V1, Uv2 — то же, для диода V2.)

Рис. 2
Тогда подбором ВЧ напряжения на катоде диода с помощью подстроечного конденсатора С1 можно добиться равенства этих напряжений по амплитуде. Выпрямленный ток в цепи этого диода будет отсутствовать, и, следовательно, ВЧ вольтметр на диоде V1 регистрирует отраженную мощность. В этом случае выпрямленный ток в цепи диода V2 будет иметь максимальное значение. Отметим сразу, что прибор симметричен и будет работать, если к разъему Х2 подключить передатчик, а к разъему X1 — антенну. Однако ВЧ вольтметры на диодах VI и V2 поменяются ролями: первый будет измерять теперь падающую мощность, а второй — отраженную. Это свойство прибора, используется при его налаживании.
При несогласованной нагрузке изменяются амплитуды ВЧ напряжения и тока в передающей линии, между ними появляется сдвиг фазы. Вследствие этого результирующее напряжение на диоде VI уже не будет равно нулю, изменится и ВЧ напряжение на диоде V2 (рис. 2, б).
Несколько слов о назначении остальных элементов. Конденсаторы С5 и С6 корректируют частотную характеристику трансформатора 77, обеспечивая постоянство коэффициента передачи во всем диапазоне рабочих частот. Подстроечными резисторами R2 и R6 устанавливают чувствительность прибора. Измерительный прибор PAI подключают к ВЧ вольтметрам переключателем S1.
Прибор лучше всего выполнить в виде двух блоков: индикатора (микроамперметр РА1, резистор R9 и переключатель S1) и высокочастотной головки (все остальные элементы). Блоки соединяют экранированным многожильным проводом. Высокочастотная головка (см. рис. 3) помещена в латунную коробку со съемной верхней крышкой. На стенках коробки установлены ВЧ разъемы (XI и Х2) и разъем для подключения индикатора.

Рис.3
Основное требование к конструкции высокочастотной головки — симметричное расположение элементов, относящихся к вольтметрам на диодах VI и V2, и возможно короткие соединительные провода. Кроме того, желательно разнести друг от друга входные и выходные цепи. Один из вариантов монтажной схемы высокочастотной головки приведен на рис. 4, Детали размещены на плате из одностороннего фольгированного стеклотекстолита. Монтаж выполнен на стойках, запрессованных в стеклотекстолит. Фольга используется только в качестве общего провода.

Рис. 4
В приборе можно использовать резисторы МЛТ-0,125 или МЛТ-0,25, СП4-1 {R2, R6), конденсаторы КМ-4 (С2 и С9), ЗКПВМ-1 (С1 и С8), КМ-5 (все остальные). Диоды VI и V2 — любые высокочастотные германиевые (Д9, Д18, Д310, Д311 и т. п.).
Отметим, что конденсаторы CI и С8 должны иметь воздушный диэлектрик и малую начальную емкость. Величина зазора между пластинами зависит от мощности, проходящей по фидеру. При мощности 100 Вт достаточен зазор 0,1 мм.
Особое внимание следует обратить на изготовление трансформатора 77. Он выполнен на ферритовом кольце типоразмера К20x10x4 из материала М20ВЧ2. Можно использовать и другие кольца диаметром 16...20 мм из материалов М30ВЧ2 или М50ВЧ2. Роль первичной обмотки выполняет отрезок коаксиального кабеля, оплетка которого служит электростатическим экраном. Она заземляется только с одной стороны.
Вторичная обмотка содержит 20 витков провод ПЭЛШО 0,2. Намотка на кольцо производится с таким расчетом, чтобы вся обмотка заняла примерно половину окружности кольца. Кольцо со вторичной обмоткой надевают на отрезок кабеля (полиэтиленовую оболочку с кабеля не снимают). Без заметного ухудшения чувствительности прибора зазор между кольцом и кабелем может достигать 5 мм.
Для налаживания прибора для измерения КСВ необходим эквивалент антенны с сопротивлением 75 или 50 Ом (в зависимости от волнового сопротивления передающей линии). Мощность, рассеиваемая эквивалентом антенны, должна соответствовать верхнему пределу измеряемой мощности. В диапазоне коротких волн (до 30 МГц) удовлетворительные результаты дает нагрузка, выполненная в виде «беличьего колеса» из соединенных параллельно двухваттных непроволочиых резисторов (например, МЛТ-2). Такой эквивалент антенны допускает кратковременную двух-, трехкратную перегрузку.
В начале регулировки движки подстроечных резисторов R2 и R6 устанавливают в положения, соответствующие максимальной чувствительности, переменного резистора R9 в верхнее по схеме положение, подстроечные конденсаторы С1 и С8 — в положения, близкие к минимальной емкости. Налаживают прибор в диапазоне 14 или 21 МГц.
При включенном передатчике проверяют показания измерительного прибора РА1 в положения «Отр.» и «Пад.» переключателя SI. Если в положении «Пад.» показания прибора меньше, чем в положении «Отр.», то изменяют распайку выводов вторичной обмотки трансформатора Т1. Кольцо при этом поворачивают так, чтобы длина выводов вторичной обмотки оставалась минимальной. После этого мощность передатчика устанавливают такой, чтобы показания прибора РА1 в положении «Пад.» были максимальны и, переведя переключатель SI. в положение «Отр.», подстраивают кон денсатор С1 до получения минимальных показаний прибора РА1. Затем передатчик подключают к разъему Х2, а эквивалент антенны — к разъему XI, и в положении «Пад.» переключателя S1 подбором конденсатора С8 снова добиваются минимальных показаний прибора РА1. Процесс подстройки конденсаторов CI и С8 следует повторить несколько раз. Если не удается получить нулевых показаний прибора РА1, то это свидетельствует о неудачном конструктивном исполнении высокочастотной головки, в первую очередь, о наличии паразитных связей.
Следующий этап — калибровка прибора. Переключатель S1 устанавливают в положение «Пад.», а от передатчика подают мощность, которая соответствует требуемому верхнему пределу измеряемой мощности. С помощью подстроечного резистора R6 стрелку измерительного прибора РА1 устанавливают на последнее деление. Затем, постепенно уменьшая мощность, калибруют шкалу прибора во всем интервале измеряемых мощностей. Контролируют мощность вольтметром, подключенным к эквиваленту антенны. Аналогичным образом устанавливают и положение движка подстроечного резистора R2 (передатчик подключают к разъему Х2, эквивалент антенны — к разъему X1. переключатель S1 устанавливают в положение «Отр.»).
Коэффициент стоячей волны можно рассчитать по формуле

где Рпад — падающая мощность; Ротр — отраженная мощность.
Точность измерения КСВ этим прибором составляет примерно 10%.
Помимо шкалы, по которой отсчитывают падающую и отраженную мощности, в приборе удобно иметь и нормированную шкалу КСВ. Этой шкалой удобно пользоваться в тех случаях, когда нет необходимости точно знать мощность, излучаемую передатчиком. Нормированную шкалу строят, устанавливая предварительно переменным резистором R9 при различных КСВ стрелку измерительного прибора РА1 на последнюю отметку (переключатель S1 — в положении «Пад.»). Затем переводят переключатель в положение «Отр.» и калибруют прибор по КСВ. Из-за нелинейности вольт-амперной характеристики диодов точность измерения КСВ по такой методике будет ниже (особенно при мощности, существенно меньшей, чем предельная мощность, измеряемая прибором), но все же она остается вполне приемлемой для любительской практики.






