Журнал РАДИОЛОЦМАН, декабрь 2018
Михаил Шустов, г. Томск
Описаны энергосберегающие реле-двухполюсники, которые подключают в любом порядке последовательно с нагрузкой и цепочкой нормально замкнутых кнопок. При нажатии на любую из этих кнопок реле включают источник света или иную нагрузку на заданный интервал времени, после чего нагрузка будет отключена.
Энергосберегающие реле-двухполюсники, рассмотренные в статье, подключают в любом порядке последовательно с нагрузкой и цепочкой нормально замкнутых кнопок. При нажатии на любую из этих кнопок реле включают источник света или иную нагрузку на заданный интервал времени, после чего нагрузка будет отключена.
Ранее [1] нами была предложена схема многокнопочного управления источниками света, позволяющая при первом нажатии на любую из последовательно соединенных нормально замкнутых кнопок включать источник электрического освещения, а при повторном нажатии отключать ее.
В настоящей статье нажатие на кнопку, например, при входе в помещение, коридор, осуществляется всего один раз. После этого источник электрического освещения включается на заданный интервал времени и затем автоматически отключается. Это позволяет добиться заметного снижения потерь электроэнергии.
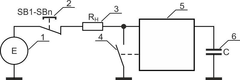
На Рисунке 1 приведена структурная схема энергосберегающего реле последовательного типа. В исходном состоянии от источника питания – 1 через одну или несколько последовательно включённых нормально замкнутых кнопок SB1–SBn – 2 через сопротивление нагрузки – 3 и схему управления – 5 протекает ток минимальной величины, заряжающий емкостной накопитель энергии – 6. При нажатии на любую из кнопок SB1–SBn – 2 ток в цепи прерывается, схема управления – 5 разряжает емкостной накопитель энергии – 6 на цепь управления коммутирующего элемента – 4, этот элемент подключает сопротивление нагрузки – 3 к источнику питания – 1 на время разряда емкостного накопителя энергии – 6, после чего сопротивление нагрузки – 3 отключается, схема возвращается в исходное состояние.
![]() |
||
| Рисунок 1. | Структурная схема энергосберегающего реле последовательного типа: 1 – источник питания; 2 – цепочка нормально замкнутых кнопок; 3 – сопротивление нагрузки; 4 – коммутирующий элемент; 5 – схема управления; 6 – емкостной накопитель энергии. |
|
Энергосберегающее реле (Рисунок 2) работает от сети переменного тока 230 В 50 Гц, используя в качестве коммутирующего элемента реле К1. В исходном состоянии при включении устройства контакты реле К1 разомкнуты. Питание на схему управления нагрузкой на транзисторе VT1 подается через нормально замкнутые контакты кнопок, активное сопротивление нагрузки (лампа накаливания EL1), конденсатор С1, резисторы R1 и R2. Со стабилитрона VD1, рассчитанного на напряжение порядка 13 В, и диод выпрямителя VD2 выпрямленное напряжение поступает на конденсатор С2 и, через диод VD3, на источник резервного питания – электролитический конденсатор С3 большой емкости.
![]() |
||
| Рисунок 2. | Сетевое энергосберегающее реле освещения последовательного включения с нагрузкой, управляемое нормально замкнутыми кнопками. |
|
Транзистор VT1 закрыт, ток через него не протекает, обмотка реле К1 обесточена. Светодиод HL1 индицирует состояние готовности устройства, показывает месторасположение реле и частично подсвечивает помещение. Если необходимости в светодиодной подсветке нет, светодиод HL1 можно исключить из схемы, сохранив резистор R3 номиналом 2–20 кОм.
При нажатии на любую из кнопок SB1–SBn (разрыве цепи питания) ток через диод VD3 более не протекает, база транзистора VT1 через цепочку R3, R4 подключается к общей шине. Транзистор открывается, в связи с чем конденсатор C3 разряжается на обмотку реле K1.
Контакты реле K1 подключают нагрузку (например, лампу накаливания EL1) к источнику питания, одновременно закорачивая цепь питания энергосберегающего реле.
Время разряда конденсатора C3 на обмотку реле (время включения источника света) можно определить по приближенной формуле: Для реле EMR151A12 RK1=1050 Ом, для G6DS-1AH 12DC RK1=1200 Ом. Таким образом, для первого реле время включенного состояния при емкости конденсатора C1 68000 мкФ составит около 40 с, при 33000 мкФ – около 20 с и при 10000 мкФ – 7 с.
После того, как конденсатор C3 разрядится на обмотку реле, реле K1 отключается, обесточивая источник света и возвращая энергосберегающее реле в исходное состояние.
После отключения источника света для повторного включения реле потребуется несколько секунд, необходимых для зарядки накопительного конденсатора C3.
На Рисунке 3 приведена схема энергосберегающего реле, работающего от источника постоянного тока напряжением 12 В (аккумулятор, сетевой источник питания). При включении устройства накопительный конденсатор С1 большой емкости – резервный источник энергии заряжается через нормально замнкнутые кнопки SB1–SBn, осветительную лампу EL1 и диод VD1. Транзистор VT1 закрыт, ток через него не протекает. В остальном принцип работы этого реле не отличается от ранее описанного. Недостатком релейных схем является то, что контакты реле обычно рассчитаны на малые коммутируемые токи и напряжения.
![]() |
||
| Рисунок 3. | Энергосберегающее реле освещения последовательного включения с нагрузкой, питаемое от аккумулятора. |
|
Третье энергосберегающее реле (Рисунок 4) в качестве коммутирующего элемента использует MOSFET VT2 2N7075 или 2N7085. В отличие от предыдущего реле, время включенного состояния можно плавно регулировать подстроечным потенциометром R3 в пределах от 0 до 50 с (1 кОм сопротивления R3 примерно соответствует 1 секунде). Преимуществом этого реле являются меньшая емкость времязадающего конденсатора, управляемость временным интервалом включения, повышенный ток нагрузки, определяемый свойствами коммутирующего транзистора VT2.
![]() |
||
| Рисунок 4. | Энергосберегающее реле постоянного тока с транзисторным ключом. |
|
Энергосберегающие реле можно выполнять в компактных герметичных корпусах с двумя выводами (для реле постоянного тока следует обозначить полярность подключения).
Литература
- Шустов М.А. Практическая схемотехника. 450 полезных схем. – М.: Altex-A, 2001. – Кн. 1. – 352 с. (I изд.); 2003 (II изд.); М.: Додэка-XXI–Altex, 2007. – 360 с.
- Shustov M.A. Multi-switch Lights Control. For corridors and hallways // Elektor. – 2014. – V. 40 (450). – № 6. – P. 74–75.










