Оборудованию с батарейным питанием часто требуется индикатор низкого напряжения для предупреждения пользователя о разряде батареи или для выполнения других функций, таких как переключение источника питания или выключение устройства. Для этих целей разработано множество специализированных микросхем, но большинство из них предназначено для использования с относительно низковольтными литиевыми или NiCd батареями. Поэтому они напрямую несовместимы с приложениями, использующими свинцово-кислотные аккумуляторные батареи, напряжение на которых во время зарядки может достигать 14 В.
Если требуется лишь простое изменение логического уровня в ответ на падение напряжения ниже определенного порога, не имеет смысла перегружать конструкцию сложными схемами управления батареями. Эту работу могут выполнять компаратор и несколько дополнительных компонентов.
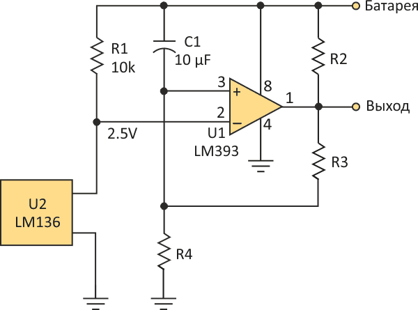
На Рисунке 1 показан монитор, предназначенный для недорогих схем, питающихся непосредственно от батареи без промежуточной микросхемы регулятора напряжения. Для монитора требуются только компаратор, источник опорного напряжения, четыре резистора и конденсатор. Если напряжение батареи превышает заданный порог, уровень выходного сигнала будет высоким. Когда напряжение батареи падает ниже порогового значения, уровень выходного сигнала становится низким и остается низким до сброса, происходящего при повторной подаче питания.
![]() |
||
| Рисунок 1. | Если напряжение батареи упадет ниже расчетного напряжения переключения компаратора, эта схема предупредит пользователя о разряде батареи. |
|
Компаратор U1 имеет выход с открытым коллектором (открытым стоком), а в качестве опорного источника выбрана микросхема LM136-2.5. Когда батарея будет подключена к схеме, опорное напряжение на выводе 2 микросхемы U1 начнет быстро расти до 2.5 В и останется на этом значении. Благодаря конденсатору C1 напряжение на выводе 3 микросхемы U1 будет выше, чем на выводе 2, и на выходе компаратора появится высокий уровень.
Когда конденсатор заряжается, напряжение на выводе 3 принимает значение, определяемое только делителем напряжения, состоящим из R2, R3 и R4. Для установки напряжения срабатывания компаратора VTP может быть использовано следующее соотношение:

где VREF – величина опорного напряжения на выходе микросхемы U2. Пока напряжение на выводе 3 превышает VREF, выходное напряжение компаратора будет оставаться высоким. Однако если напряжение на выводе 3 упадет ниже опорного напряжения, компаратор сработает, его выходное напряжение станет низким, и вывод 3 окажется привязанным к земле. Поэтому выходной уровень будет оставаться низким, даже если напряжение батареи восстановится, как это часто бывает при снятии нагрузки.




Купить LM136-2.5 на РадиоЛоцман.Цены


