Поставки продукции Megawin по официальным каналам - микроконтроллеры, мосты USB-UART

Двустороннее зеркало - то есть, токовое зеркало

Texas Instruments LMC555

Классический набор, который вы увидите в большинстве винтажных детективных фильмов, – это комната для допросов с «двусторонним» зеркалом на одной из стен. Эта классная штука позволяет свидетелям видеть подозреваемых из другой комнаты, в то время как подозреваемые могут видеть только себя. В каком направлении работает двустороннее зеркало, определяется тем, на какой стороне больше света. Яркая сторона – зеркало подозреваемого. Темная сторона – окно свидетеля.

AC-DC источники питания Mean Well на DIN рейку

И какое же отношение это имеет к электронике?

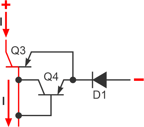
Эта простая конструкция описывает двухстороннее токовое зеркало, которое, по сомнительной аналогии с оптическим, может отражать или передавать, в зависимости от того, какая сторона –  входная или выходная – более положительна. Оно состоит всего из двух биполярных транзисторов и одного диода и выделено желтым цветом на Рисунке 1 с изображением управляемого напряжением генератора треугольных импульсов на основе таймера 555.

Элементы D1, Q3 и Q4 образуют двустороннее токовое зеркало. Оно пассивно проводит ток коллектора Q2 к конденсатору C1 через переход база-коллектор транзистора Q3, когда напряжение на выводе OUT отрицательно относительно C1, но становится активным инвертирующим источником тока с единичным усилением, когда напряжение OUT становится положительным и меняет полярность. (VC1 - напряжение на конденсаторе C1).
Рисунок 1. Элементы D1, Q3 и Q4 образуют двустороннее токовое зеркало. Оно пассивно проводит ток 
коллектора Q2 к конденсатору C1 через переход база-коллектор транзистора Q3, когда напряжение
на выводе OUT отрицательно относительно C1, но становится активным инвертирующим
источником тока с единичным усилением, когда напряжение OUT становится положительным
и меняет полярность. (VC1 – напряжение на конденсаторе C1).

Вот как это работает.

Когда напряжение на выходе OUT становится низким, транзистор Q4 выключается, а Q3 насыщается и пропускает отрицательный ток I в конденсатор C1. Чтобы транзистор Q2 не насыщался, поддерживайте напряжение VIN ниже 1 В.
Рисунок 2. Когда напряжение на выходе OUT становится низким, транзистор Q4
выключается, а Q3 насыщается и пропускает отрицательный ток I в
конденсатор C1. Чтобы транзистор Q2 не насыщался, поддерживайте
напряжение VIN ниже 1 В.

Давайте узел, к которому подключен диод D1, назовем входом, а узел с конденсатором C1 – выходом. Когда напряжение на выводе OUT таймера U1 низкое, диод D1 и зеркало смещены в обратном направлении. В таких условиях коллекторному току I транзистора Q2 некуда идти, кроме как в прямосмещенный переход база-коллектор транзистора Q3, как показано на Рисунке 2. Это подключает Q2 к конденсатору C1, который линейно разряжается током I.

Когда напряжение на C1 опускается до напряжения запуска таймера U1 (1.33 В), выходное напряжение OUT становится высоким. Это меняет полярность напряжения на зеркале, смещая его в прямом направлении, в результате чего потенциалы эмиттеров Q3 и Q4 становятся положительными относительно конденсатора C1. Затем Q3 и Q4 берут на себя роль обычного активного токового зеркала с единичным усилением. Теперь они отражают инвертированную положительную версию тока ​​​​I в конденсатор C1, делая наклон напряжения на нем положительным, как показано на Рисунке 3.

При высоком напряжении OUT зеркало становится активным и инвертирует I в положительный ток для зарядки конденсатора C1.
Рисунок 3. При высоком напряжении OUT зеркало становится активным и инвертирует
I в положительный ток для зарядки конденсатора C1.

Когда конденсатор C1 заряжается до верхнего порога таймера U1 (3.67 В), напряжение на выходе OUT снова становится низким, и начинается новый цикл колебаний, завершающий вывод (теоретически) симметричного импульса в форме равнобедренного треугольника. Поддерживайте напряжение VIN ниже 1 В.

Подробности, включая достоинства и недостатки классического двухтранзисторного токового зеркала, можно найти в многочисленных справочных материалах по проектированию электроники [1].

Конечно, можно также сделать комплементарную версию двухстороннего зеркала на n-p-n транзисторах. Если источник втекающего тока Q2 заменить источником вытекающего тока, он будет работать так же хорошо.
Возможно, вам интересно, для чего нужен диод D1? Когда напряжение на выходе OUT становится низким, эмиттеры обоих транзисторов смещены в обратном направлении, поэтому в любом случае ток через входной узел протекать не должен. Следовательно, D1 лишний, верно?

Ну, нет, это не так. Причина выражается термином «обратная бета». Оказывается, при обратном смещении перехода база-эмиттер биполярного транзистора и прямом смещении перехода база-коллектор возможно (и даже вероятно) протекание значительного тока от коллектора к эмиттеру. Соответствующий коэффициент передачи тока в этой перевернутой конфигурации всегда намного меньше, чем бета в обычном включении, но он все равно больше утечки, и определенно слишком значителен, чтобы его игнорировать. Диод D1 нам нужен.

Детективная история двухстороннего токового зеркала на этом заканчивается. Спасибо, что прочитали. Извините, если для вас эта новость старая. Для меня эта новость была новой, когда я обдумывал ее, и в ближайшем будущем я надеюсь показать для нее больше приложений.

Ссылка

  1. The Current Mirror

Материалы по теме

  1. Datasheet Texas Instruments LMC555
  2. Datasheet Central Semiconductor 2N5087
  3. Datasheet ON Semiconductor 2N5089

EDN

Перевод: AlexAAN по заказу РадиоЛоцман

На английском языке: A two-way mirror - current mirror that is

77 предложений от 38 поставщиков
Таймеры.Тип: Прецизионный таймер - генератор импульсов серии LMC555Вес брутто: 0.25Транспортная упаковка: размер/кол-во: 64*41*41/5000Мощность: рассеиваемая (Pd) - 740 мВтХарактеристика: задержка распространения импульса...
Элрус
Россия
LMC555M/TR
9.02 ₽
Элевика
Россия
LMC555CMMX/NOPB
Texas Instruments
55 ₽
Romstore
Россия, Беларусь
LMC555CMX
от 88 ₽
ЭК ЗИП
Россия
LMC555CMX/NOPB
Texas Instruments
от 16 ₽
ТМ Электроникс. Электронные компоненты и приборы. Скидки, кэшбэк и бесплатная доставка
Для комментирования материалов с сайта и получения полного доступа к нашему форуму Вам необходимо зарегистрироваться.
Имя