Контрактное производство электроники. Полный цикл работ

Цоколевки 106 - 120

Справочник по отечественным биполярным транзисторам


2Т962, 2Т976

2Т963-2, 2Т995-2, 2Т9119-2, 2Т9135-2

2Т975, 2Т986

2Т977

2Т982-2

2Т984, 2Т9104, 2Т9109

2Т985-С, 2Т9105-С, 2Т9125-С, 2Т9128-С

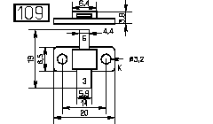
2Т987

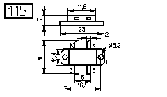
КТ979, 2Т988, 2Т989, 2Т9114, 2Т9124, 2Т9129, 2Т9139, 2Т9149, 2Т9158

2Т991-С, 2Т9101-С, 2Т9132-С, 2Т9136-С

2Т994, 2Т9146

2Т996-2

2Т9118, 2Т9122

2Т9121, 2Т9127, 2Т9146Б,В

2Т9134
АЦП азиатских производителей
ТМ Электроникс. Электронные компоненты и приборы. Скидки, кэшбэк и бесплатная доставка