Кондуктометрический датчик уровня Рэлсиб ДУ-1Г
| Производитель | Рэлсиб |
| Серия | ДУ-1 |
| Модель | ДУ-1Г |
Одноэлектродные датчики ДУ-1 предназначены для контроля уровня жидкости в металлических резервуарах открытого и закрытого типа.
Подробное описание
Датчики могут присоединяться к терморегуляторам, имеющим вход соответствующего типа, а также к уровнемерам и другим приборам.

Технические характеристики датчиков уровня ДУ-1
|
Параметры
|
Значения
|
|
|
ДУ–1Н
|
ДУ–1Г
|
|
|
Исполнение
|
негерметичный
|
герметичный
|
|
Материал корпуса
|
нержавеющая сталь 12Х18Н10Т
|
|
|
Изоляционный материал
|
фторопласт
|
керамика
|
|
Рабочая температура
|
не более +200 °С
|
не более +180 °С
|
|
Рабочее давление
|
—
|
не более 16 атм
|
|
Длина электрода L
|
по заявке Заказчика
|
|
|
Гарантийный срок эксплуатации
|
12 месяцев со дня продажи
|
|
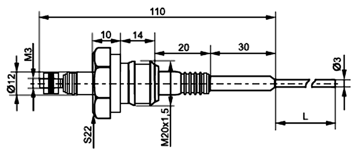
Габаритный чертеж датчика уровня ДУ-1Г

Варианты написания:
ДУ1Г, ДУ 1Г






