DC-DC преобразователи KEEN SIDE

Симисторный регулятор напряжения

Новичок
 
Регистрация: 28.12.2009
Сообщений: 44
Репутация: 13
3 0
0 1
 
19.03.2024 17:35 #1
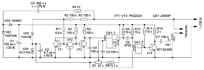
Доброго дня! Подскажите как (возможно ли) подключить в данной
схеме симистор через оптрон типа MOC3021 ? Вложение 47003
Последний раз редактировалось vasya2009; 19.03.2024 в 17:41.
Оценка
КОМПЭЛ продолжает серию публикаций об аналого-цифровых преобразователях азиатских производителей. В этом выпуске – АЦП с низкой разрешающей способностью: почему они востребованы несмотря на наличие встроенных 10-битных преобразователей в МК, какие модели пользуются спросом и как их можно использовать в качестве прямой (Pin-to-Pin) и функционально эквивалентной замены западным аналогам – в ряде случаев даже с улучшенными характеристиками.
Гуру
 
Регистрация: 08.05.2006
Адрес: москва
Сообщений: 8,306
Репутация: 2229
2,215 1,156
40 80
 
19.03.2024 20:34 #2
чем вызван выбор именно этой схемы ? она слишком навароченая.есть более простые решения. предложеная вами микросхема сама имеет тиристор на выходе. и без серьезных изменений применить е1 невозможно.
Оценка
Светодиодные драйверы серий XLG/ ELG/HLG MEAN WELL предназначены для самых разных задач – от уличного и архитектурного освещения до промышленных и рекламных установок. Все три линейки объединяют герметичный металлический корпус (степень защиты не ниже IP65/67), стабильная работа при экстремальных температурах (вплоть до –40 °C) и комплекс встроенных защит: от короткого замыкания, перегрузки, перенапряжения и перегрева. Во всех семействах есть возможность выбора диммируемых моделей по принятым в световой отрасли интерфейсам управления. Посмотреть ассортимент
Новичок
 
Регистрация: 28.12.2009
Сообщений: 44
Репутация: 13
3 0
0 1
 
20.03.2024 09:00 #3
Так и не нашел как здесь отредактировать . Схему хотел собрать вот эту "регулятор мощности со стабилизацией действующего значения выходного напряжения"

А на выходе поставить два тиристора
Может через трансформатор как то можно?
Оценка
Керамические конденсаторы – одни из самых массовых и востребованных электронных компонентов, занимающих первое место по количеству строк в спецификациях большинства электронных изделий. Компания КОМПЭЛ поддерживает постоянный складской запас многослойных керамических конденсаторов (MLCC). В ассортименте – более 4000 уникальных наименований общим объёмом свыше 650 млн штук от ведущих производителей Азии, включая крупнейшие китайские бренды CCTC и Fenghua, а также таких мировых лидеров, как Yageo, Murata, Samsung и TDK.
Гуру
 
Регистрация: 28.06.2012
Сообщений: 5,166
Репутация: 1267
1,413 147
483 1
 
20.03.2024 10:28 #4
Ну так подайте сигнал на светодиод вашей MOC через резистор с выхода DA1.2. Не знаю, возможно, потребуется его проинвертировать тем или иным способом, сейчас некогда в это вникать, но это экспериментально выясняется за 15 минут ...
Оценка
Ответ
Похожие темы
Ваши права в разделе
Вы не можете создавать новые темы
Вы не можете отвечать в темах
Вы не можете прикреплять вложения
Вы не можете редактировать свои сообщения

BB коды Вкл.
Смайлы Вкл.
[IMG] код Вкл.
HTML код Выкл.

Быстрый переход
ТМ Электроникс. Электронные компоненты и приборы. Скидки, кэшбэк и бесплатная доставка
Часовой пояс GMT +3, время: 14:11.
Обратная связь РадиоЛоцман Вверх