Jim Karki, член технического совета, Texas Instruments
В статье рассмотрено преобразование комплементарного токового выходного сигнала ЦАП к асимметричному выходному сигналу напряжения с помощью операционного усилителя (ОУ). Представлены уравнения и методика выбора номиналов компонентов для получения выходного напряжения ЦАП и балансировки входа ОУ для улучшения параметров выходного сигнала. Рассмотрены также вопросы фильтрации сигнала.
Введение
Цифро-аналоговые преобразователи эволюционируют в сторону увеличения разрядности и производительности. Низкоскоростные ЦАП имеют на выходе либо токовый сигнал, либо напряжение. На выходе большинства высокоскоростных ЦАП организован комплементарный токовый каскад с втекающим или вытекающим током.
Высокоскоростные ЦАП используются во многих приложениях: испытательном и телекоммуникационном оборудовании, медицинской электронике, промышленной автоматике и других. В каждом из приложений предусматриваются своя специфика формирования сигнала и требования к его параметрам. В статье рассматриваются приложения, в которых требуется связь по постоянному току, ширина полосы до 100 МГц, асимметричный выход. В этом случае высокоскоростной ОУ – самое подходящее решение для преобразования комплементарного токового выхода высокоскоростного ЦАП в выходной сигнал напряжения.

Рис. 1. Упрощенная структурная схема ЦАП с переключателями тока
Обзор ЦАП с комплементарными источниками тока
Упрощенная структурная схема ЦАП с комплементарными переключателями тока приведена на рисунке 1. Цифровой входной код декодируется и поступает на драйверы ключей, а затем – непосредственно на соответствующие токовые ключи в массиве ключей, подключая их к шине IOUT1 или IOUT2. Эти шины комплементарные – когда ток начинает течь по одной из них, ток в другой шине уменьшается точно на такую же величину. При этом суммарный ток не изменяется. Например, при полной шкале 20 мА (см. табл. 1) минимальный входной код, соответствующий нулевому значению шкалы, приведет к тому, что IOUT1 = 0 мА и IOUT2 = 20 мА. В средней точке шкалы IOUT1 = IOUT2 = 10 мА. В максимальной точке: IOUT1 = 20 мА и IOUT2 = 0 мА. Важно отметить, что в средней точке шкалы ток на обеих шинах одинаков (10 мА). Это обстоятельство будет использовано при проектировании для выбора синфазного режима.
Таблица 1. Пример распределения токов IOUT1 и IOUT2 при 20 мА шкале
|
Вход |
IOUT1, мА |
IOUT2, мА |
|
Максимальная шкала |
20 |
0 |
|
Средняя точка шкалы |
10 |
10 |
|
Ноль шкалы |
0 |
20 |
В массив источников тока входят транзисторы n- и p-типов. Слово «источник» в данном случае используется в общем смысле слова – транзисторная схема источника тока может формировать как втекающий, так и вытекающий ток. В данной статье рассматривается интерфейс ЦАП с источниками втекающего тока и ОУ. При этом источники тока составлены из транзисторов n-типа.
Архитектура и опорное напряжение ЦАП с источниками втекающего тока
На рисунке 2 показан упрощенный пример источников втекающего тока с использованием NMOS- NPN-транзисторов и перечислены несколько микросхем, в которых используются подобные структуры. Опорное стабилизированное напряжение, показанное на рисунке для каждой группы, соответствует диапазону значений выходного напряжения. Понижение напряжения приводит к прекращению работы источников, повышение – может привести к выходу из строя. Обоих случаев следует избегать, чтобы поддерживать оптимальные характеристики и долговременную стабильность.

Рис. 2. Упрощенные схемы NMOS- and NPN-источников втекающего тока
В общем случае к выходу через некоторый импеданс подключается положительное напряжение. Этот импеданс формирует цепь втекающего тока, а падение напряжения на нем может использоваться как выходное напряжение ЦАП. Импеданс может быть построен различно: простой резистор, делитель, с трансформаторной связью, комбинация пассивных компонентов и активной схемы. В статье рассмотрен последний случай с использованием ОУ в активной схеме.
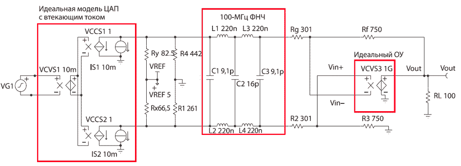
Интерфейс ОУ
Предлагаемый интерфейс ОУ представлен на рисунке 3. Эта схема обеспечивает смещение выходов ЦАП, преобразование токового выходного сигнала в потенциальный, асимметричный выход усилителя. ОУ – активный элемент схемы, посредством резисторов R2, R3, RG и RF устанавливается коэффициент усиления ОУ.

Рис. 3. Предлагаемая схема интерфейса ОУ
- IDAC+ и IDAC– – выходные токи ЦАП;
- R2, R3 – входные резисторы неинвертирующего входа ОУ;
- RG и RF – резисторы, устанавливающие коэффициент усиления ОУ;
- RX, R1, RY и R4 обеспечивают цепи смещения и тока для выходов ЦАП;
- VDAC+ и VDAC– – выходные напряжения ЦАП;
- VP и VN – входные напряжения на выводах ОУ;
- VS+ и VS– – напряжение питания ОУ.
Правильный подбор компонентов обеспечит требуемый входной импеданс, максимальный размах и балансировку выходного напряжения, лучшие рабочие характеристики. Обычно в гармонических искажениях превалирует (по крайней мере, на низких частотах) вторая гармоника. Балансировка дифференциальных входов ОУ позволит подавить ее и обеспечит системе наилучшие характеристики, но небольшое воздействие третьей гармоники сбалансировать не удастся.
При анализе схемы лучше разделить неинвертирующий и инвертирующий входы и провести для них отдельный расчет. При анализе мы будем полагать, что используется идеальный ОУ.
Анализ схемы со стороны неинвертирующего входа
![]() |
![]() |
| Рис. 4. Неинвертирующий вход анализируемой схемы |
Рис. 5. Инвертирующий вход анализируемой схемы |
Часть схемы, связанная с неинвертирующим входом, показана на рисунке 4. Для анализа воспользуемся уравнением Кирхгофа для узла IDAC+:
|
Выражение для входного импеданса будет выглядеть следующим образом:
|
Решая совместно уравнения (1) и (2) и учитывая требования проекта, схемотехник должен выбрать оптимальные значения сопротивлений. В настоящей статье приняты следующие допущения:
Выходной ток IDAC+ и размах напряжения VDAC+ определены разработчиком, который также устанавливает требования к величине ZDAC+.
Для формирования VREF используется, имеющееся в схеме напряжение.
Соотношение сопротивлений R2/R3 равно соотношению RF/ RG – условие необходимое для баланса ОУ. Уравнение должно решаться при условии IDAC+ = 0 мА, т.к. при этом напряжение VDAC+ примет максимальное значение VDAC+(max).
Учитывая эти ограничения и решая совместно (1) и (2) получаем:
|
Вычислив значение R1 и подставив его в (2) получим:
|
Обратите внимание, что в ОУ с обратной связью по напряжению желательно, чтобы импедансы на инвертирующем и неинвертирующем входах были одинаковы, для того чтобы избежать смещения, вызванного входными токами. В ОУ с токовой обратной связью входные токи не зависят друг от друга, поэтому допустимо не балансировать импеданс, но желательно его минимизировать.
Анализ схемы со стороны инвертирующего входа
Часть схемы, связанная с инвертирующим входом, показана на рисунке 5. В данном случае анализ будет более сложен, т.к. напряжение Vn на инвертирующем входе зависит и от напряжения VP на неинвертирующем входе. В соответствии с законом Кирхгофа запишем уравнение токов для узла VDAC–:
|
Входной импеданс можно выразить следующим образом:
|
Учитывая, что: VP = VDAC+×R3/(R2 + R3) и VN = αVP , перепишем (6) в следующем виде:
|
Используя алгебраические преобразования уравнений (5), (7) и учитывая допущения, принятые при анализе схемы со стороны неинвертирующего входа, получим решение для 1/R4. Заметьте, что решение получено, исходя из допущения IDAC– = 0 мА. При этом напряжение на инвертирующем выходе ЦАП принимает минимальное значение: VDAC+ = VDAC+(min).
|
где: k = R3/(R2 + R3).
Найденное значение 1/R4 используем для определения 1/RY:
|
Заметим, что коэффициент α отражает разницу напряжений на входах ОУ. В ОУ с обратной связью по напряжению величина α определяется коэффициентом усиления ОУ. В ОУ с токовой обратной связью α – коэффициент усиления входного буфера усилителя.
Вычисление выходного напряжения
Для определения выходного напряжения применим метод суперпозиции. Мы рассматриваем ЦАП с втекающим током, который должен быть преобразован в выходное «противоположно направленное» напряжение. Это означает, что когда большая часть тока ЦАП втекает в положительный вход, напряжение на выходе ОУ должно быть отрицательной полярности. Если большая часть тока ЦАП втекает в отрицательный вход, напряжение на выходе ОУ должно быть положительное. Сказанное означает, что в приведенных ниже соотношениях токи всегда отрицательны или равны нулю.
Выходное напряжение, обусловленное опорным напряжением VREF, со стороны неинвертирующего входа составит:
|
Выходное напряжение, обусловленное выходным током IDAC+ ЦАП, со стороны неинвертирующего входа составит:
|
Выходное напряжение, обусловленное опорным напряжением VREF, со стороны инвертирующего входа составит:
|
Выходное напряжение, обусловленное выходным током IDAC– ЦАП, со стороны инвертирующего входа составит:
|
Суммируя все четыре составляющие, получим выражение для выходного напряжения:
|
Если принять допущения: IDAC– = IDAC+, Z = ZDAC– = ZDAC+, RF/RG = R2/R3, то выражение для выходного напряжения можно заметно упростить:
|
Пример проектирования и симулирования
Для примера рассмотрим процесс проектирования NMOS ЦАП, рассмотренный ранее с опорным стабилизированным напряжением AVDD 3.3±0.5 В. Полная шкала ЦАП: 20 мА. Напряжение питания схемы: ±5 В и VREF = 5 В. Задано, что при IDAC± = 20 мА напряжение VDAC± = ±1 В. Таким образом, ZDAC = 50 Ом. Учитывая ранее принятые допущения, выбираем ОУ с токовой обратной связью THS3095 и RF =R3 = 750 Ом. Коэффициент усиления от VDAC± к выходу схемы определится соотношением резисторов RF/RG = R2/R3, отсюда RG вычисляется следующим образом:
|
Выбираем ближайшее стандартное значение из ряда для резисторов с допуском 1% и получаем 301 Ом.
Подставляя полученные значения в выражения (3), (4), (8) и (9), находим: R1 = 259.8 Ом; RX = 65.8 Ом; R4 = 447.2 Ом; RY = 82.9 Ом. Выбираем ближайшие стандартные значения: R1 = 261 Ом; RX = 66.5 Ом; R4 = 442 Ом; RY = 82.5 Ом.
Пример расчета можно посмотреть в таблице Excel (http://www.ti.com/lit/zip/slyt359) в файле DAC_Sink_to_ Op_Amp_Wksht.xls. Применение SPICE-симулятора – отличный способ проверить работу схемы, параметры которой определены расчетным путем. Симулятор есть в свободном доступе (www.ti.com/tina-ti). Для проверки схемы можно использовать пример, показанный в файле DAC_Sink_to_Op_Amp_No_Filter.TSC.


Рис. 6. Симуляция интерфейса ЦАП втекающим током и ОУ
Схема симуляции и полученные кривые приведены на рисунке 6. Здесь: IDAC– и IDAC+ – токи ЦАП; VDAC– VDAC+ – выходные напряжения ЦАП; VOUT – выходное напряжение ОУ. ЦАП с втекающим током и ОУ рассматривались как идеальные элементы, поэтому получились ожидаемые результаты, соответствующие приведенным выше расчетным соотношениям. На практике характеристики значительно зависят от выбранных микросхем.
Сглаживающие фильтры ЦАП
Выходной сигнал ЦАП содержит помимо полезного сигнала еще сигнал с частотой, равной частоте опроса – наложение спектров. Для уменьшения амплитуды этого сигнала используют фильтр, который подключается непосредственно на выход ЦАП, перед ОУ. Особенно важна фильтрация для многочастотных модулированных сигналов, т.к. при этом интермодуляция второго порядка, возникшая из-за помех от частоты преобразования, попадает в основную полосу частот.
Проектирование фильтров не является темой настоящей статьи, и мы не будем детально их анализировать, но рассмотрим основные принципы, которые позволят вычислить его параметры, а также входной и выходной импедансы. Нахождение импедансов фильтра, в принципе, несложная задача, но их знание позволяет облегчить поиск компонентов фильтра.

Рис. 7. Фильтр ЦАП
На рисунке 7 показана схема включения фильтра. Резисторы R1, RX, R4 и RY заменены на эквивалентные до и после фильтра. При этом:
|
В этом случае импеданс со стороны каждого вывода фильтра составляет 2ZDAC±. После алгебраических преобразований можно записать следующие выражения:
|
|
|
|
|
|
|
|
Приведенные выше уравнения легко решить с использованием таблиц Excel (http://www.ti.com/lit/zip/slyt359). Откройте файл DAC_Sink_to_Op_Amp_Wksht.xls, затем выберите «DAC Sink to Op Amp, With Filter». Для проверки полученных решений удобно воспользоваться SPICE симулятором TINA-TI. Откройте файл Sink_to_Op_Amp_ With_Filter.TSC для просмотра примера.
Чтобы показать эффект балансировки импеданса фильтра с полосой 100 МГц, рассмотрим фильтр с входным и выходным импедансом равным 100 Ом. На верхней схеме фильтр включен между смещающими резисторами и ОУ, импеданс фильтра не сбалансирован – пометка: «VOUT No Match1». На нижней схеме фильтр включен между ЦАП и смещающими резисторами, импеданс фильтра не сбалансирован – пометка: «VOUT No Match2». На схеме в центре цепь смещения спроектирована для 100 Ом сбалансированного импеданса – пометка: «VOUT Matched».
Кривые выходных напряжений и токов ЦАП для всех перечисленных случаев те же, что и на рисунке 6, но амплитудно-частотная характеристика (см. рис. 8) показывает, что в случае несогласованного импеданса заметно возрастает ее неравномерность. На оценочной плате TSW3070 компании Texas Instruments, показанной на рисунке 9, представлена хорошо сбалансированная схема, обеспечивающая согласование для 100 МГц ФНЧ. Однако симуляция первого варианта этой схемы показала, что импеданс со стороны ЦАП все же не вполне сбалансирован – напряжение VDAC+ не зеркально напряжению VDAC–, после чего схема была доработана – импеданс полностью сбалансировали.

Рис. 8. Симуляция функции преобразования в частотной области
с согласованными и несогласованными встроенными фильтрами


Рис. 9. Схемный симулятор TSW3070 (несбалансированный вариант)
На рисунке 10 показаны результаты испытаний, которые были проведены до и после доработки схемы. Как видно из рисунка, полное согласование импедансов позволило уменьшить вторую гармонику почти на 10 дБ (в зависимости от частоты), в то время как третья гармоника практически не изменилась.

Рис. 10. Гармонические искажения со сбалансированным и несбалансированным импедансами
Заключение
В статье рассмотрено использование ОУ для преобразования комплементарного токового выходного сигнала ЦАП к асимметричному выходному сигналу напряжения. Даны уравнения и методика выбора номиналов компонентов для получения выходного напряжения ЦАП и балансировки входа ОУ для улучшения параметров выходного сигнала. Также рассмотрены вопросы фильтрации сигнала. Показано, что фильтр желательно располагать перед ОУ.




























