Генераторы, построенные на логических элементах, находят широкое применение. Схема генератора на триггере Шмитта показана на Рисунке 1, а схема самого триггера Шмитта, построенная на инверторах – на Рисунке 2. Классическая схема генератора на триггере Шмитта, построенном на трех инверторах представлена на Рисунке 3. Однако, данную схему возможно упростить. Триггер Шмитта, собранный на инверторах, имеет два выхода: инвертирующий и неинвертирующий (Рисунок 2). Более того, обычно неиспользуемый ВЫХ1 не нагружен на резистор, а значит, сигнал с него имеет более крутые фронты, т.е. третий элемент на Рисунке 3 явно лишний.
![]() |
|
| Рисунок 1. | Схема генератора на триггере Шмитта. |
![]() |
|
| Рисунок 2. | Схема триггера Шмитта, на инверторах. |
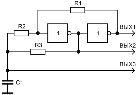
Преобразованная схема изображена на Рисунке 4.
![]() |
|
| Рисунок 3. | Классическая схема генератора на триггере Шмитта, построенном на трех инверторах. |
![]() |
|
| Рисунок 4. | Схема генератора на триггере Шмитта, построенном на двух инверторах. |
По сравнению с простейшей схемой генератора прямоугольных импульсов на двух инверторах (Рисунок 5) полученная схема содержит на два резистора больше, но у нее есть и некоторые преимущества. Во-первых, в качестве С1 можно использовать полярный конденсатор, во-вторых, с С1 можно снимать сигнал почти треугольной формы (Рисунок 6). Правда, в случае низкоомной нагрузки для обеспечения работоспособности схемы необходимо применение буферного усилителя. Его можно выполнить на освободившемся элементе микросхемы. И, в-третьих, наличие на ВЫХ1 и ВЫХ2 противофазных сигналов.
![]() |
|
| Рисунок 5. | Простейшая схема генератора прямоугольных импульсов на двух инверторах. |
![]() |
|
| Рисунок 6. | Эпюры сигналов на выходах генератора. |
При использовании КМОП микросхем генератор работоспособен при следующих соотношениях сопротивлений резисторов:
R1 > 1.5R2;
R2 > 4R3.
При нарушении указанных соотношений стабильность генератора уменьшается. Для приближения формы импульсов на ВЫХ3 к треугольным, отношение R1/R2 должно быть увеличено (при этом амплитуда импульсов уменьшится). При больших значениях сопротивлений R1-R3 конденсатор С1 должен иметь низкий ток утечки. Сопротивление резистора R2 не должно быть меньше 10 кОм.
Период колебаний определяем по формуле

Амплитуда напряжения на ВЫХ3 равна

На ВЫХ1 и ВЫХ2 она практически равна напряжению питания UП.
Частота колебаний практически не зависит от напряжения питания, но с понижением его уменьшается скважность импульсов.
Схему можно построить также на ТТЛ и ТТЛШ элементах, при этом ориентировочно частоту генератора можно определить по формуле

причем сопротивление резистора R3 должно быть в пределах 200…800 Ом для элементов ТТЛ и до 2 кОм для ТТЛШ.
В качестве инверторов можно также использовать логические элементы «ИЛИ-НЕ» или «И-НЕ», соединив их входы.
Литература
- Е.А. Зельдин. Импульсные устройства на микросхемах, 1991 г.












