Shenler: реле, интерфейсные модули
РадиоЛоцман - Все об электронике

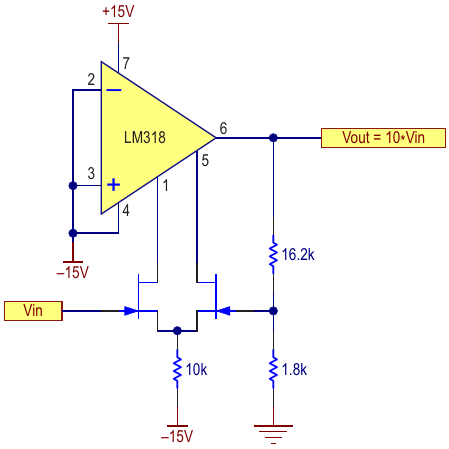
Моя любимая конструкторская идея, нарисованная по памяти. Умная идея использования всех внутренних выходных каскадов LM318 вместе с выбираемым пользователем входным каскадом оказалась универсальной и привлекательной для меня и других, и в последующие годы

АвторыSteve Hageman
Основной документСтатья «Моя любимая конструкторская идея всех времен…»
ОписаниеРисунок 2
Формат / Размер файлаPDF / 10 Кб
Язык документарусский

Моя любимая конструкторская идея, нарисованная по памяти Умная идея использования всех внутренних выходных каскадов LM318 вместе с выбираемым пользователем входным каскадом оказалась универсальной и привлекательной для меня и других, и в последующие годы

Многослойные керамические конденсаторы от лидеров азиатского рынка

Другие материалы из основного документа

ТМ Электроникс. Электронные компоненты и приборы. Скидки, кэшбэк и бесплатная доставка