Контрактное производство и проектные поставки для российских производителей электроники
РадиоЛоцман - Все об электронике

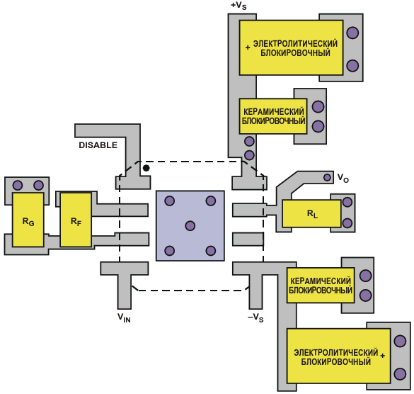
Компоновка платы для ОУ AD8045

АвторыJohn Ardizzoni - Analog Dialogue
Основной документСтатья «Практическое руководство по компоновке печатных плат для высокоскоростных схем. Часть 2 - Земляной слой и экранирование»
ОписаниеРисунок 11
Формат / Размер файлаPDF / 29 Кб
Язык документарусский

Компоновка платы для ОУ AD8045

AC-DC источники питания Mean Well на DIN рейку

Другие материалы из основного документа

ТМ Электроникс. Электронные компоненты и приборы. Скидки, кэшбэк и бесплатная доставка