Источники питания KEEN SIDE
РадиоЛоцман - Все об электронике

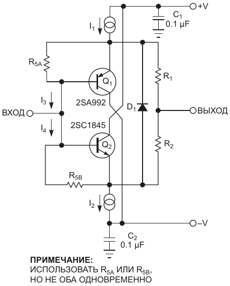
Буфер обеспечивает единичное усиление, низкое выходное сопротивление и низкие искажения. Подробности об источниках тока в эмиттерах транзисторов см. на Рисунке 2

АвторыPeter Demchenko
Основной документСтатья «Дискретный буферный усилитель с низким уровнем искажений для биполярных сигналов»
ОписаниеРисунок 1
Формат / Размер файлаPDF / 19 Кб
Язык документарусский

Буфер обеспечивает единичное усиление, низкое выходное сопротивление и низкие искажения Подробности об источниках тока в эмиттерах транзисторов см на Рисунке 2

AC-DC источники питания Mean Well на DIN рейку

Другие материалы из основного документа

ТМ Электроникс. Электронные компоненты и приборы. Скидки, кэшбэк и бесплатная доставка