ЖК индикаторы и дисплеи KEEN SIDE

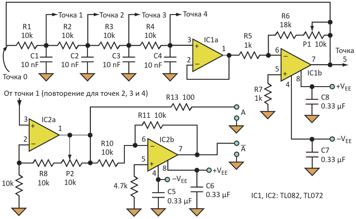
Генератор на микросхемах IC1a и IC1b имеет несколько выходов со сдвинутыми по фазе сигналами, каждый из которых буферизуется неинвертирующим и инвертирующим усилителем

АвторыPetre Petrov
Основной документСтатья «Простой многофазный генератор сигналов на операционных усилителях»
ОписаниеРисунок 2. 
Формат / Размер файлаPDF / 41 Кб
Язык документарусский

Генератор на микросхемах IC1a и IC1b имеет несколько выходов со сдвинутыми по фазе сигналами, каждый из которых буферизуется неинвертирующим и инвертирующим усилителем

Популярные АЦП с низкой разрешающей способностью

Другие материалы из основного документа

ТМ Электроникс. Электронные компоненты и приборы. Скидки, кэшбэк и бесплатная доставка