Источники питания KEEN SIDE

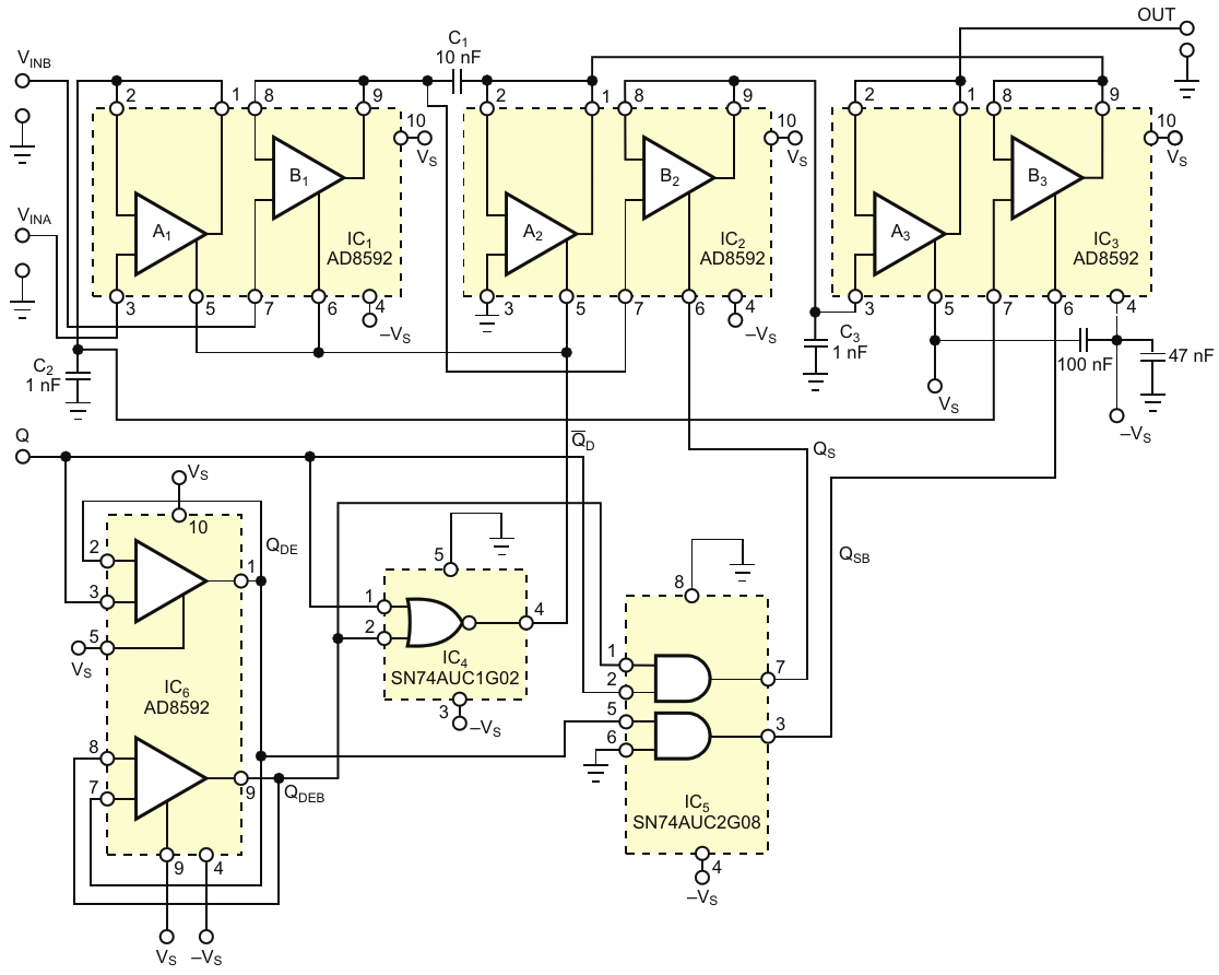
Основой работы этой схемы является одновременное отслеживание входных напряжений VINA и VINB на конденсаторах C2 и C1, суммирование напряжений этих конденсаторов в интервале выборки и сохранение суммарного напря

АвторыMarián Štofka
Основной документСтатья «Двухвходовый УВХ без внешних резисторов»
ОписаниеРисунок 1
Формат / Размер файлаPDF / 22 Кб
Язык документарусский

Основой работы этой схемы является одновременное отслеживание входных напряжений V sub INA /sub  и V sub INB /sub  на конденсаторах C sub 2 /sub  и C sub 1 /sub , суммирование напряжений этих конденсаторов в интервале выборки и сохранение суммарного напря

Популярные АЦП с низкой разрешающей способностью

Другие материалы из основного документа

ТМ Электроникс. Электронные компоненты и приборы. Скидки, кэшбэк и бесплатная доставка