Новости
Статьи
Библио
Схемы
Datasheets
Сайты
Приборы
Цены
Форум
Еще
Новости
Статьи
Библио
Datasheets
Сайты
Приборы
Подписка на обновления
Журнал «РадиоЛоцман»
Авторы
Datasheet.ru
Объявления
О РадиоЛоцмане
Авторам
Вакансии
Сотрудничество
Реклама
Контакты
en - English
Поиск
Подразделы
Arduino
Авто
Автозвук
Автоматика
Аналог. схемы
Аудио
Безопасность
Беспроводные
Бытовая
Ветроэнер-ка
Видео
Видеокамеры
Вред.рецепты
Высоковольт.
Генераторы
ИИ
Игры
Измерения
Инстр. и тех.
Интерфейсы
История электроники
Квантовые компьютеры
Компьютеры и
Лазер
Медицина
Мониторы
Музыка
Начинающим
Обработка сигналов, фильтры
Перс.технолог
Печат.платы
Питание
Платформы
Применение МК
Р/у модели
Радио
Радиолокация
Ретро
Робототехника
САПР и ПО
Светотехника
Сети
Силовая эл-ка
Солнечная эн.
Сотовая связь
Спутник.обор.
ТВ
Телефон
Теория
Ук.применению
Усилители
Фотоника
Цифровые
Производители
Схемы
Вариант формирователя периодических функций …
Вариант формирователя периодических функций электрических сигналов произвольной формы по 20 точкам
Авторы
Михаил Шустов - Томск
Основной документ
Статья «
Генераторы периодических функций по 20-и точкам
»
Описание
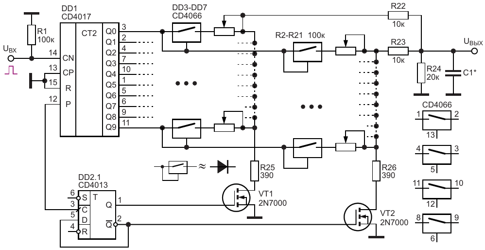
Рисунок 3
Формат / Размер файла
PDF
/
22 Кб
Язык документа
русский
Скачать PDF
Другие материалы из основного документа
Статья «
Генераторы периодических функций по 20-и точкам
»
Рисунок 1. Электрическая схема формирователя периодических функций электрических сигналов произвольной формы по 20 точкам
Рисунок 2. Формирователь функций периодических электрических сигналов произвольной формы по 20 точкам на ключевых аналогах идеальных диодов
Рисунок 3. Вариант формирователя периодических функций электрических сигналов произвольной формы по 20 точкам
Хотите получать уведомления о выходе новых материалов на сайте?
Подпишитесь на рассылку!
Срезы
Измерения
Микроконтроллеры
Силовая Электроника
Электронные компоненты
Ремонт техники
Подписка на обновления
Журнал «РадиоЛоцман»
Реклама
Размещение прайс листов
Контакты