AC-DC и DC-DC преобразователи напряжения Top Power на складе ЭЛТЕХ

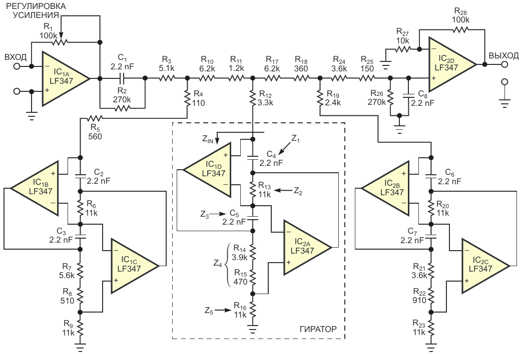
Из окончательной схемы исключены индуктивности, и гираторы заменили их «суперконденсаторами». Использование компонентов со средними допусками и счетверенных операционных усилителей для уменьшения количества компонентов минимизирует стоимость схемы

АвторыPilar Molina, Diego Puyal
Основной документСтатья «Низкочастотный аудиофильтр «кирпичная стена» не нуждается в настройке»
ОписаниеРисунок 2
Формат / Размер файлаPDF / 21 Кб
Язык документарусский

Из окончательной схемы исключены индуктивности, и гираторы заменили их «суперконденсаторами» Использование компонентов со средними допусками и счетверенных операционных усилителей для уменьшения количества компонентов минимизирует стоимость схемы

Многослойные керамические конденсаторы от лидеров азиатского рынка

Другие материалы из основного документа

ТМ Электроникс. Электронные компоненты и приборы. Скидки, кэшбэк и бесплатная доставка